- Partiron
- OEM Parts
- Yamaha
- snowmobile
- 2025
- SXV4NMSB (SXVENOM MOUNTAIN) 8NW9 2025
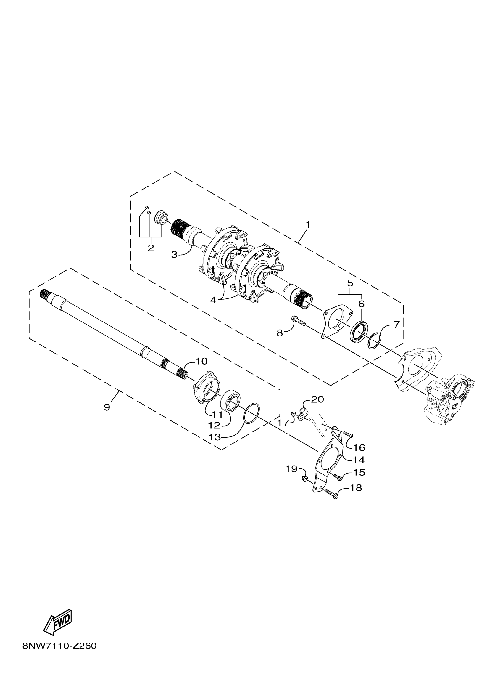
TRACK DRIVE 1
Yamaha SXV4NMSB (SXVENOM MOUNTAIN) 8NW9 2025 TRACK DRIVE 1 Diagram
#
Description
Price
1
FRONT AXLE SUB-ASS
8NU-G7501-10-00
Unavailable
2
SENSOR, SPEED
8ND-H3755-00-00
Unavailable
4
WHEEL, SPROCKET 1
8NU-G7531-10-00
Unavailable
8
BOLT, FLG. M8X1.25
8JP-RA189-00-00
Unavailable
15
BOLT FLANGE M6X1.0X
8MF-RA183-00-00
Unavailable
16
BOLT, FLG. M6X1.0X
8JP-RA183-00-00
Unavailable
17
NUT,FLG. M6-1.0
8JM-RA322-00-00
Unavailable
18
SCREW, M8X1.25X37
8JP-RA274-00-00
Unavailable
19
NUT,HEX FLG-NYL LOCK M8X1.25
8JM-RA301-00-00
Unavailable
20
CLAMP, 21
8JP-RAB23-00-00
Unavailable
