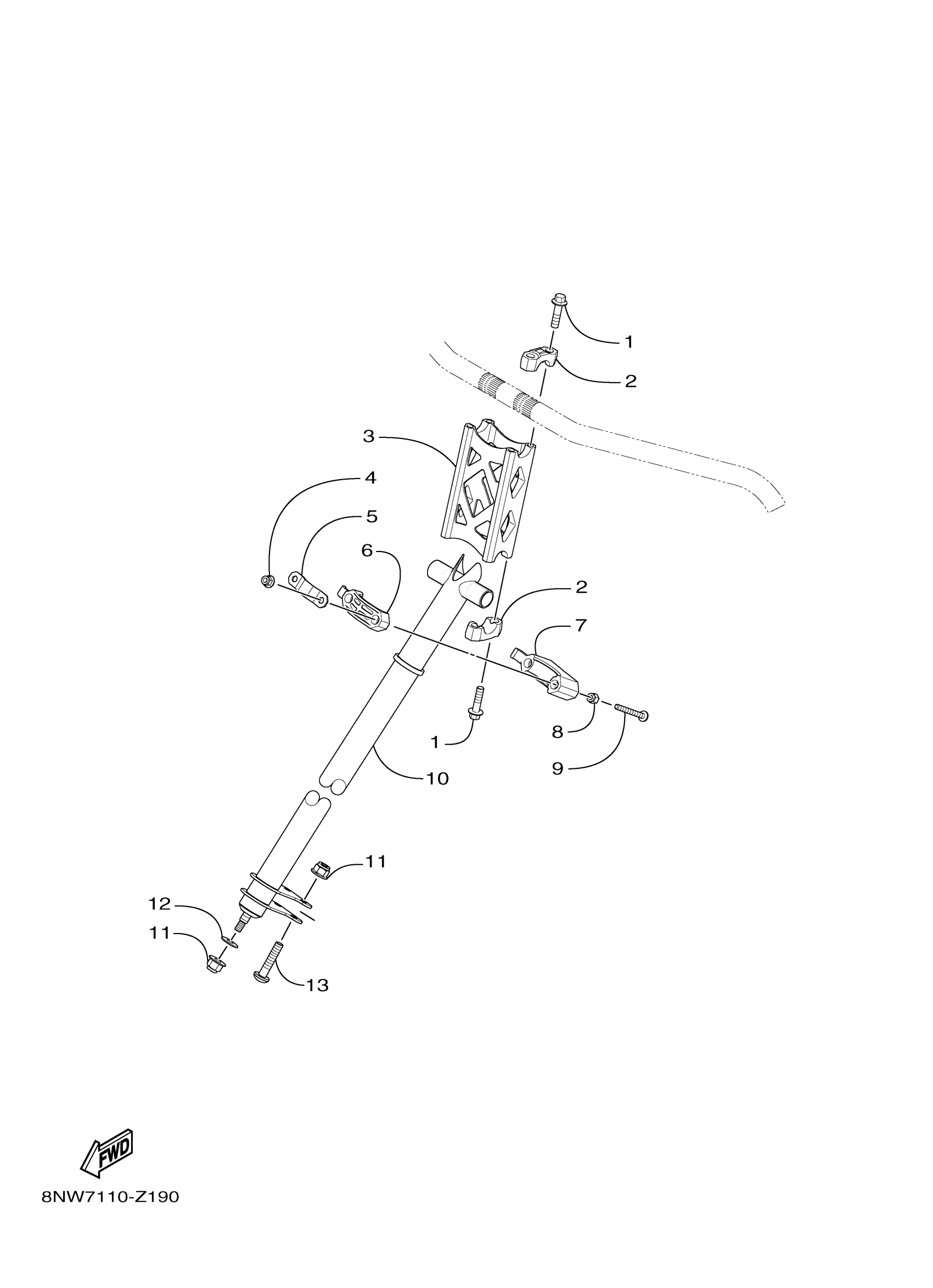
Yamaha SXV4NMSB (SXVENOM MOUNTAIN) 8NW9 2025 STEERING 2 Diagram
#
Description
Price
1
BOLT, FLG. M8X1.25
8JP-RA188-00-00
Unavailable
9
SCREW, 10
8ND-RA299-00-00
Unavailable
10
COLUMN, STEERING 2
8NT-F3813-10-00
Unavailable
12
WASHER, THRUST
8NS-F5146-00-00
Unavailable
13
SCREW, M8X1.25X37
8JP-RA274-00-00
Unavailable
