- Partiron
- OEM Parts
- Honda
- ALL-TERRAIN VEHICLE
- 2025
- SXS700M2DA (25) ALL-TERRAIN VEHICLE (ATV), USA, VIN# 1HFVE02E-S4000001 TO 1HFVE02E-S4099999
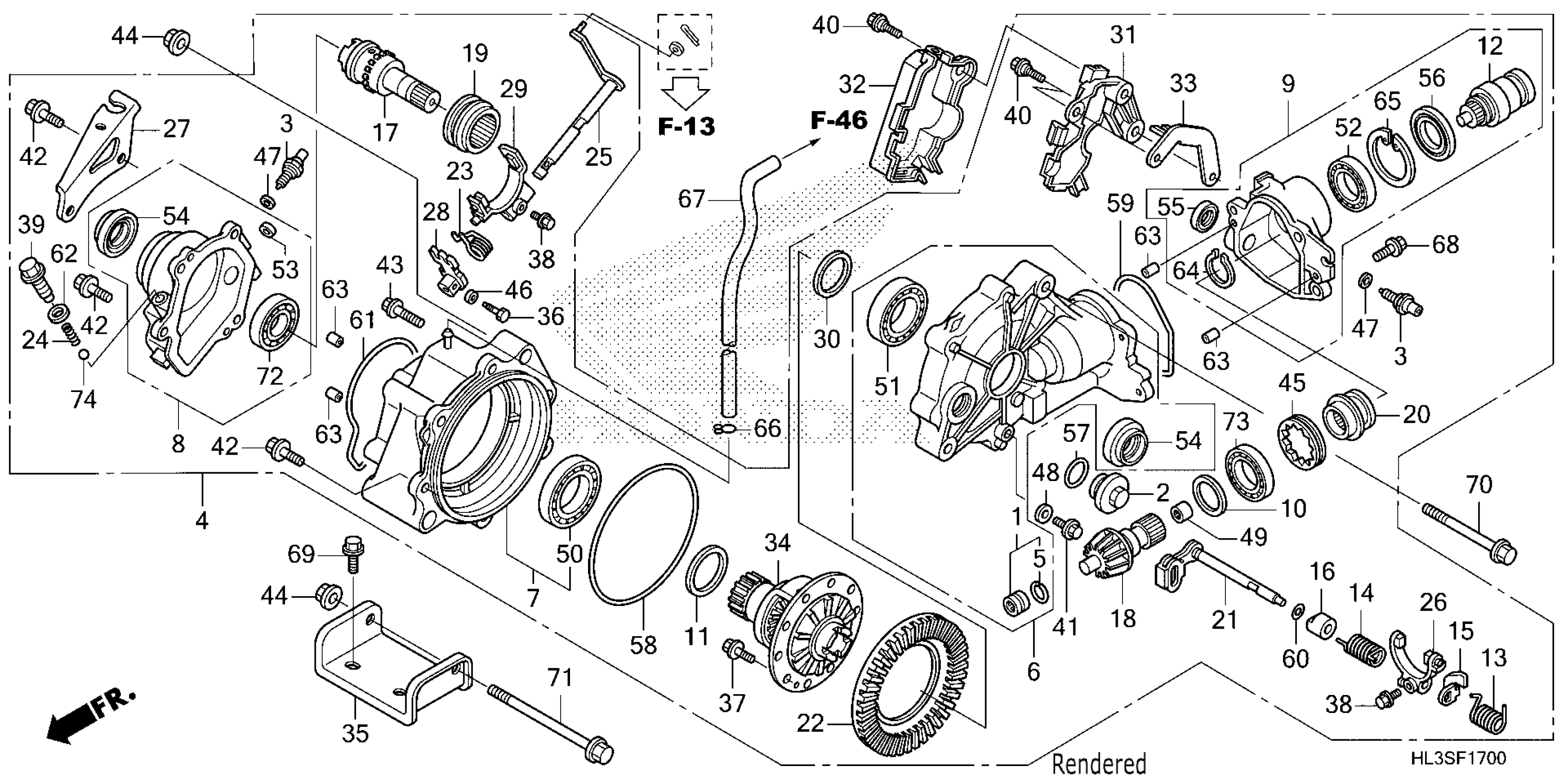
FRONT FINAL GEAR
Honda SXS700M2DA (25) ALL-TERRAIN VEHICLE (ATV), USA, VIN# 1HFVE02E-S4000001 TO 1HFVE02E-S4099999 FRONT FINAL GEAR Diagram
#
Description
Price
2
CAP, VALVE ADJ. This part replaces 12361-035-000.
12361-300-000
Unavailable
10
SHIM K, PINION GEAR (2.24)
41458-HN0-670
Unavailable
10
SHIM L, PINION GEAR (2.30)
41459-HN0-670
Unavailable
10
SHIM M, PINION GEAR (2.36)
41461-HN0-670
Unavailable
10
SHIM O, PINION GEAR (2.48)
41463-HN0-670
Unavailable
