- Partiron
- OEM Parts
- Yamaha
- snowmobile
- 2025
- SXR2NESR (SNOSCOOT ES) 8NPB1 2025
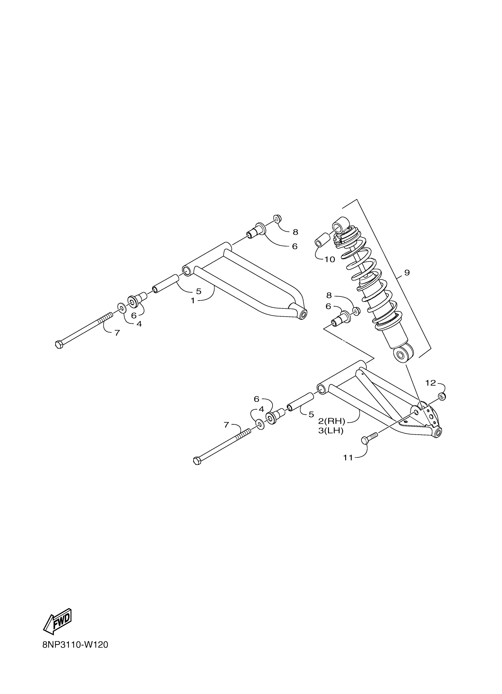
FRONT SUSPENSION
Yamaha SXR2NESR (SNOSCOOT ES) 8NPB1 2025 FRONT SUSPENSION Diagram
#
Description
Price
6
AXLE,PWD CRANK (NO BEARING)
8JM-F3583-00-00
Unavailable
7
BOLT, HEXAGON 3/8-
8JM-RA107-10-00
Unavailable
