- Partiron
- OEM Parts
- Yamaha
- snowmobile
- 2021
- SXR2NEMR (SNOSCOOT ES) 8NP31 2021
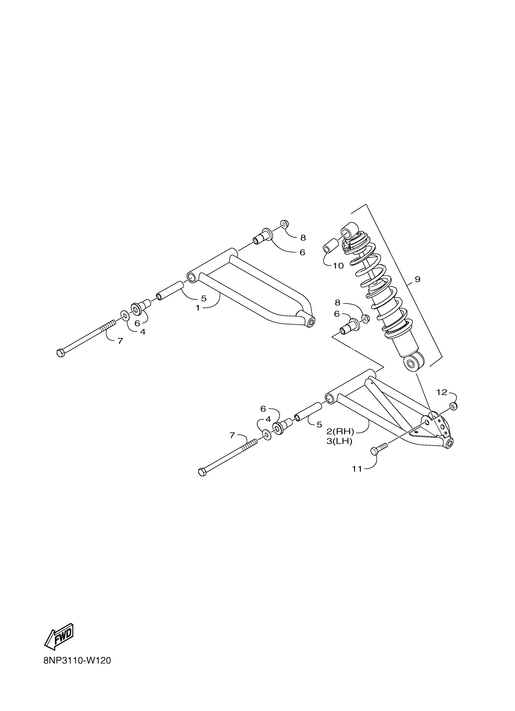
FRONT SUSPENSION
Yamaha SXR2NEMR (SNOSCOOT ES) 8NP31 2021 FRONT SUSPENSION Diagram
#
Description
Price
6
AXLE,PWD CRANK (NO BEARING)
8JM-F3583-00-00
Unavailable
7
BOLT, HEXAGON 3/8-
8JM-RA107-10-00
Unavailable
