Partiron

Yamaha SW433E 1971 ELECTRICAL Diagram

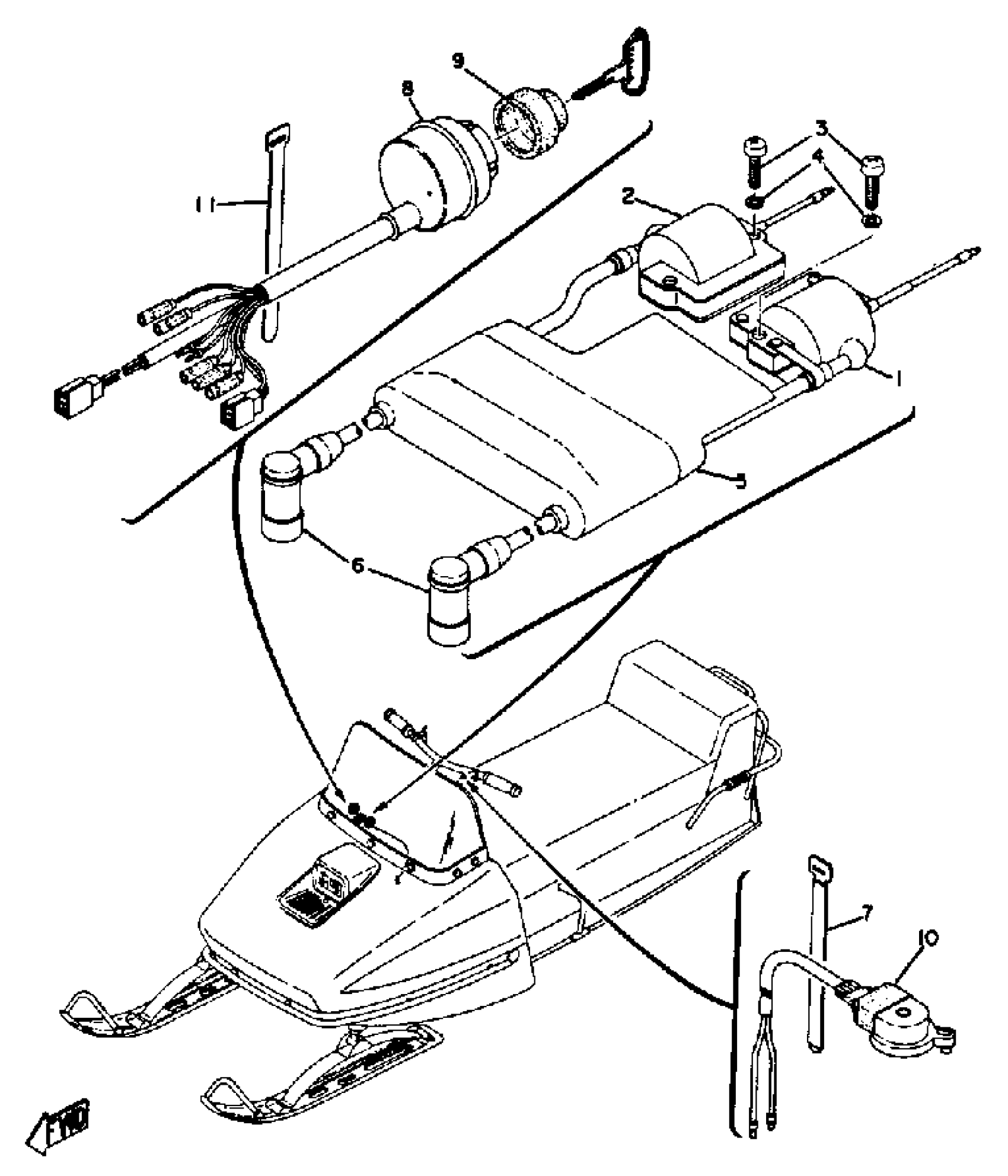
#

Description
Price

1

IGNITION COIL ASSEMBLY

(810-82310-40-00)

Unavailable

2

IGNITION COIL ASSEMBLY

(810-82320-41-00)

Unavailable

3

SCREW, PAN

98517-06020-00

$8.49

4

WASHER, SPRING

92907-06100-00

$4.25

5

COVER, IGNITN COIL

(810-82314-00-00)

Unavailable

6

PLUG CAP ASSY

56J-82370-00-00

$64.99

7

BAND, SWITCH CORD

437-83936-01-00

$7.99

8

MAIN SWITCH ASSEMBLY

(810-82508-20-00)

Unavailable

9

COLLAR, MAIN SWITCH

806-82516-00-00

Unavailable

10

STOP SWITCH ASSEMBLY

(806-82530-00-00)

Unavailable

11

BAND, SWITCH CORD

437-83936-11-00

$4.63