- Partiron
- OEM Parts
- Yamaha
- snowmobile
- 1971
- SW433E 1971
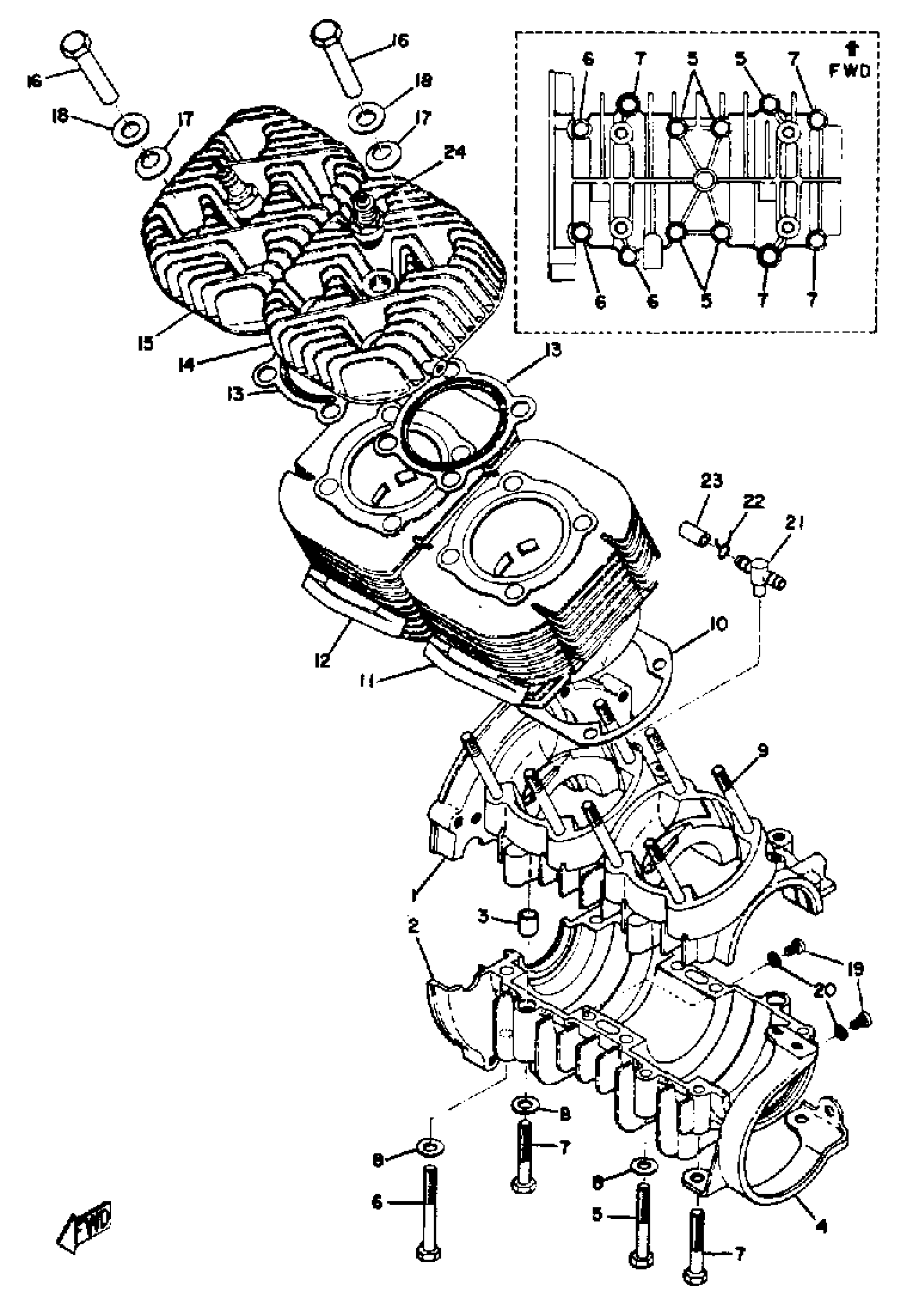
CRANKCASE - CYLINDER
Yamaha SW433E 1971 CRANKCASE - CYLINDER Diagram
#
Description
Price
1
CRANKCASE ASSEMBLY
(811-15100-01-00)
Unavailable
4
PROTECTOR
(810-15491-02-00)
Unavailable
6
BOLT(6TC)
97027-08070-00
Unavailable
7
BOLT, HEXAGON
97013-08050-00
Unavailable
8
WASHER, PLAIN
92990-08200-00
Unavailable
11
CYLINDER 1
(819-11311-00-00)
Unavailable
12
CYLINDER 2
(819-11321-00-00)
Unavailable
13
GASKET, CYL HEAD 1
818-11181-09-00
Unavailable
14
HEAD, CYLINDER 1
(819-11111-00-00)
Unavailable
15
HEAD, CYLINDER 2
(819-11121-00-00)
Unavailable
16
NUT, SPEC''L SHAPE
90179-08076-00
Unavailable
17
WASHER, CONICAL SPRING 12,2 X
90208-12800-00
Unavailable
18
YBS66-12 WASHER,PLAIN
92990-12200-00
Unavailable
19
SCREW PAN HEAD
98580-06010-00
Unavailable
20
GASKET
90430-06017-00
Unavailable
21
PIPE, JOINT
(807-24461-00-00)
Unavailable
22
CLIP
90467-090A2-00
Unavailable
23
CAP, BLIND
807-24462-09-00
Unavailable
24
B7HS NGK 4PK
B7H-S0000-00-00
Unavailable
