- Partiron
- OEM Parts
- Yamaha
- snowmobile
- 1973
- SW433C 1973
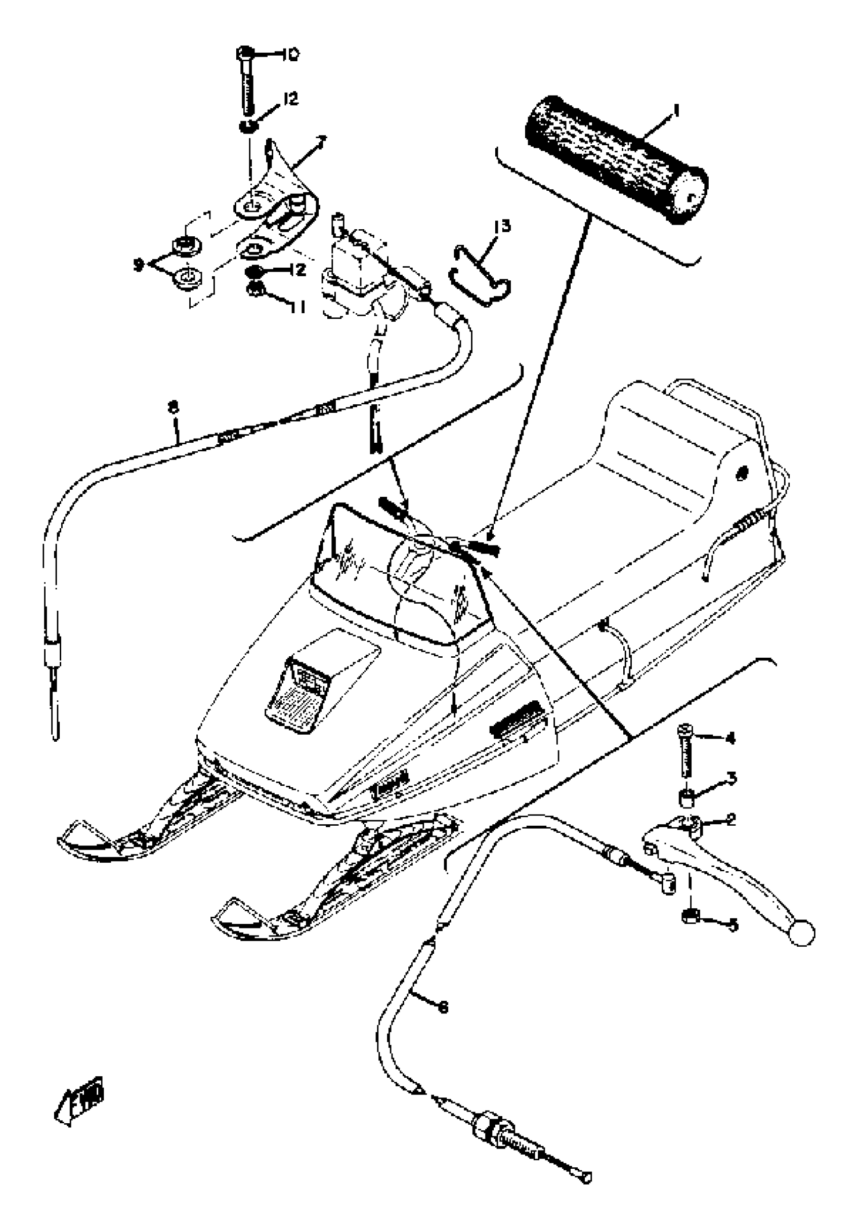
GRIP - WIRING
Yamaha SW433C 1973 GRIP - WIRING Diagram
#
Description
Price
2
LEVER L
803-83912-00-38
Unavailable
3
COLLAR, LEVER
802-83913-00-00
Unavailable
4
SCREW,PAN HEAD
90157-05055-00
Unavailable
6
CABLE, BRAKE
(806-26340-00-00)
Unavailable
7
LEVER, THROTTLE
8G8-42138-00-00
Unavailable
7
THROTTLE LEVER
99999-01028-00
Unavailable
8
CABLE, THROTTLE 1
810-26311-00-00
Unavailable
10
SCREW, PAN HEAD (810-83925-00)
90157-06004-00
Unavailable
13
CLIP (821-26391-00)
90468-10017-00
Unavailable
