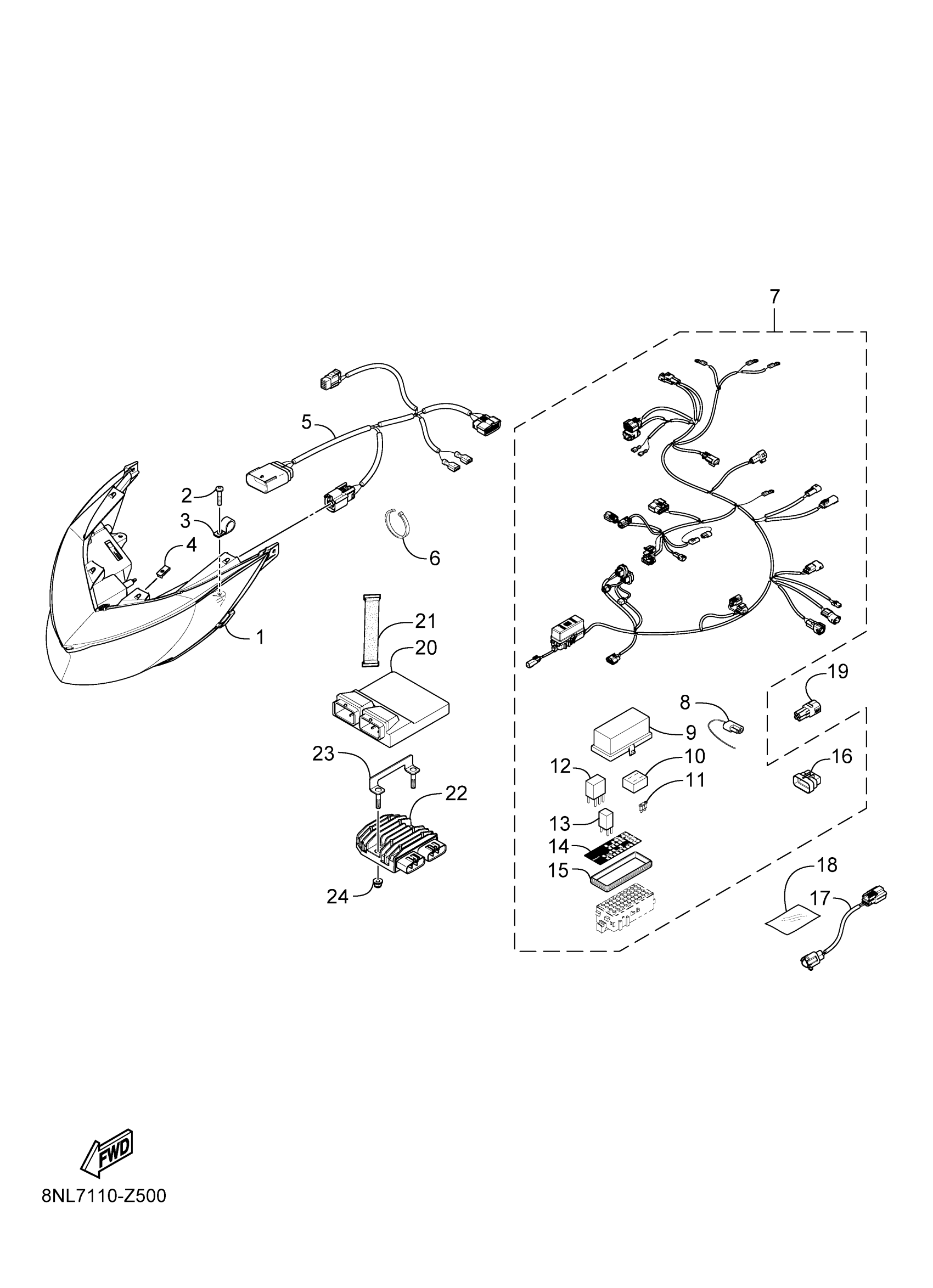
Yamaha SW1NXSRL (SIDEWINDER XTX SE 146) 8NL7 2024 ELECTRICAL 1 Diagram
#
Description
Price
1
HEADLIGHT UNIT ASS
8KC-H4310-10-00
Unavailable
2
SCREW, TAPPING 1/4
8JP-RA284-00-00
Unavailable
3
CLAMP, 17
8JP-RAB19-00-00
Unavailable
6
TIE, CABLE-8.5/7.5/7.4
8JM-RAB01-00-00
Unavailable
6
CLAMP, 1 (4-INCH)
8JP-RAB03-00-00
Unavailable
6
CLAMP, 2 (11.5 INCH)
8JP-RAB04-00-00
Unavailable
7
WIRE HARNESS ASSY
8MF-H2590-40-00
Unavailable
8
. ANCHOR, CABLE 1
8JP-G8352-00-00
Unavailable
10
. HOLDER, FUSE
8JP-H2152-00-00
Unavailable
11
FUSE (30A)
8JP-H2151-30-00
Unavailable
12
RELAY 1
8MS-H2185-00-00
Unavailable
13
RELAY 2
8MS-H2189-00-00
Unavailable
14
EMBLEM 1
8KC-R2391-00-00
Unavailable
15
GASKET, HOLE COVER
8JP-H1365-00-00
Unavailable
16
COVER, CONNECTER
8JP-H1662-10-00
Unavailable
17
EXTENSION, WIRE HARNESS
8KG-H2586-00-00
Unavailable
18
TAPE,ALUM FOIL - 6" X 30 FT
8JM-F199H-00-00
Unavailable
19
COVER, CONNECTER
8JP-H1662-20-00
Unavailable
20
ENGINE CONTROL UNI
8NG-H591A-00-00
Unavailable
21
BAND, BATTERY
2T4-82131-00-00
Unavailable
22
RECTIFIER & REGULA
8JP-H1960-00-00
Unavailable
23
BRACKET, UNIT
8LY-H5991-00-00
Unavailable
24
NUT,FLG. M6-1.0
8JM-RA322-00-00
Unavailable
