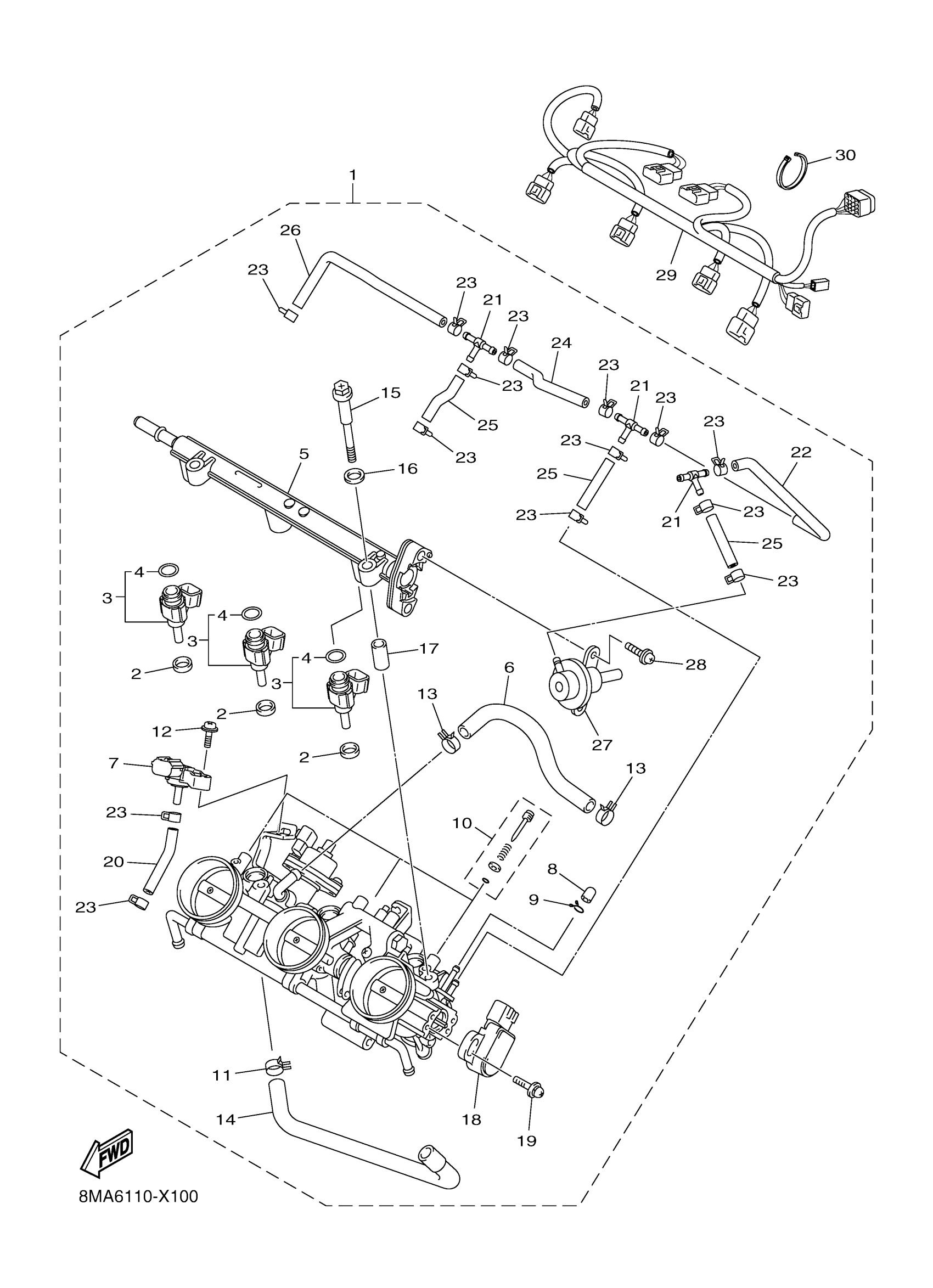
Yamaha SW1NXLRL (SIDEWINDER X TX LE 146) 8NM7 2024 INTAKE 2 Diagram
#
Description
Price
1
THROTTLE BODY ASSY
8KJ-13750-02-00
Unavailable
2
. GASKET, MANIFOLD
8FP-13556-10-00
Unavailable
5
PIPE
8KJ-13938-00-00
Unavailable
6
HOSE, AIR
8GL-13895-00-00
Unavailable
7
. SENSOR, PRESSURE
6BH-82380-00-00
Unavailable
10
ADJUST SCREW SET
8GL-14503-00-00
Unavailable
14
HOSE 1
8HF-13545-00-00
Unavailable
16
WASHER
8GL-13571-00-00
Unavailable
17
COLLAR
8GL-14534-00-00
Unavailable
18
THROTTLE SENSOR AS
8GL-85885-01-00
Unavailable
19
SCREW
8CC-14216-10-00
Unavailable
20
PIPE, FUEL 1
5JW-24311-00-00
Unavailable
21
. PIPE, JOINT 1
68V-24376-00-00
Unavailable
22
HOSE, AIR 3
8GL-13893-00-00
Unavailable
23
CLIP
5DM-14919-00-00
Unavailable
24
. HOSE, VACUUM SENSING 4
68V-13533-00-00
Unavailable
25
PIPE
8FP-14349-30-00
Unavailable
26
HOSE
8KJ-1410E-00-00
Unavailable
27
REGULATOR, PRESSURE
8KJ-13906-00-00
Unavailable
28
GASKET, EXHAUST
98507-05008-00
Unavailable
29
EXTENSION, WIRE HA
8KC-H2386-00-00
Unavailable
30
TIE, CABLE-8.5/7.5/7.4
8JM-RAB01-00-00
Unavailable
30
CLAMP, 2 (11.5 INCH)
8JP-RAB04-00-00
Unavailable
