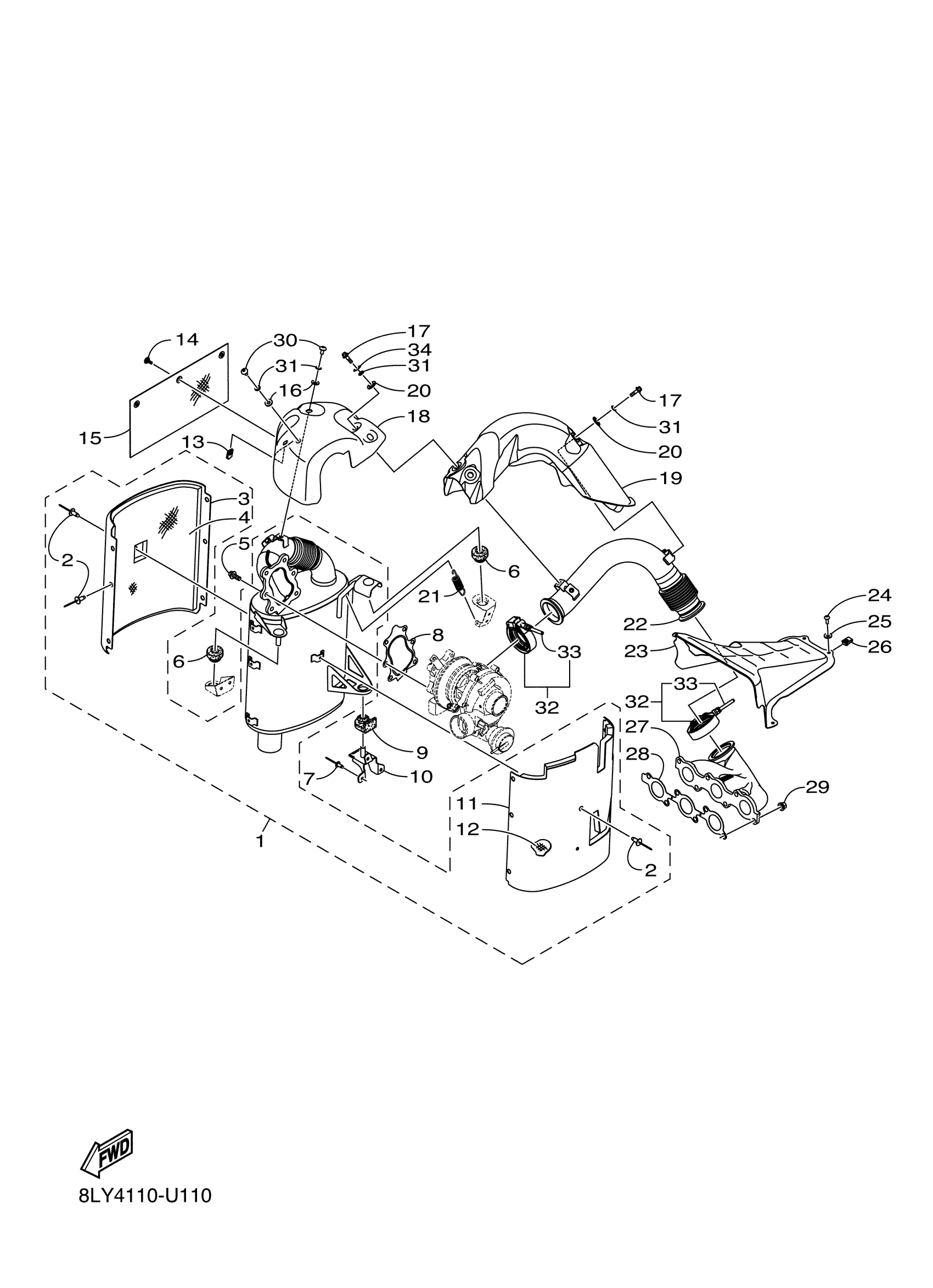
Yamaha SW1NLSLO (SIDEWINDER L-TX SE) 8MA4 2020 EXHAUST Diagram
#
Description
Price
3
PROTECTOR, MUFFLER
8KC-E4728-00-00
Unavailable
4
MAT 2
8KC-E4736-00-00
Unavailable
10
BRACKET
8JP-E4744-00-00
Unavailable
15
SHIELD, HEAT
8KC-F3892-00-00
Unavailable
16
WASHER 1
8KC-K7525-00-00
Unavailable
17
BOLT,FLG. M6X16
8KC-RA146-00-00
Unavailable
18
EXHAUST COVER ASS'
8KC-E4637-00-00
Unavailable
19
COVER, EXHAUST
8KJ-14624-01-00
Unavailable
20
WASHER,FLAT-1/4 X .734 X .063
8JM-RA400-00-00
Unavailable
21
SPRING, 3
8JP-RAD14-00-00
Unavailable
22
EXHAUST PIPE ASSY
8KC-E4610-00-00
Unavailable
23
COVER, EXHAUST
8KC-E4627-00-00
Unavailable
24
SCREW, 11
8JP-RA2A0-00-00
Unavailable
25
WASHER, 1/4X0.625X
8JP-RA441-00-00
Unavailable
26
NUT, CLIP M5
8JP-RA353-00-00
Unavailable
27
MANIFOLD, EXT. 1
8KJ-41131-00-00
Unavailable
28
GASKET, EXHAUST PIPE
8KJ-14613-00-00
Unavailable
29
NUT
90179-09004-00
Unavailable
30
BOLT, BUTTON HEAD
8KC-RA1C0-00-00
Unavailable
31
WASHER,LOCK-1/4 EXT TOOTH TYP
8JM-RA407-00-00
Unavailable
32
BAND, MUFFLER
8KC-E4715-00-00
Unavailable
33
BOLT SET
8KC-E22C0-00-00
Unavailable
34
NUT, 1/4
8JP-RA347-00-00
Unavailable
