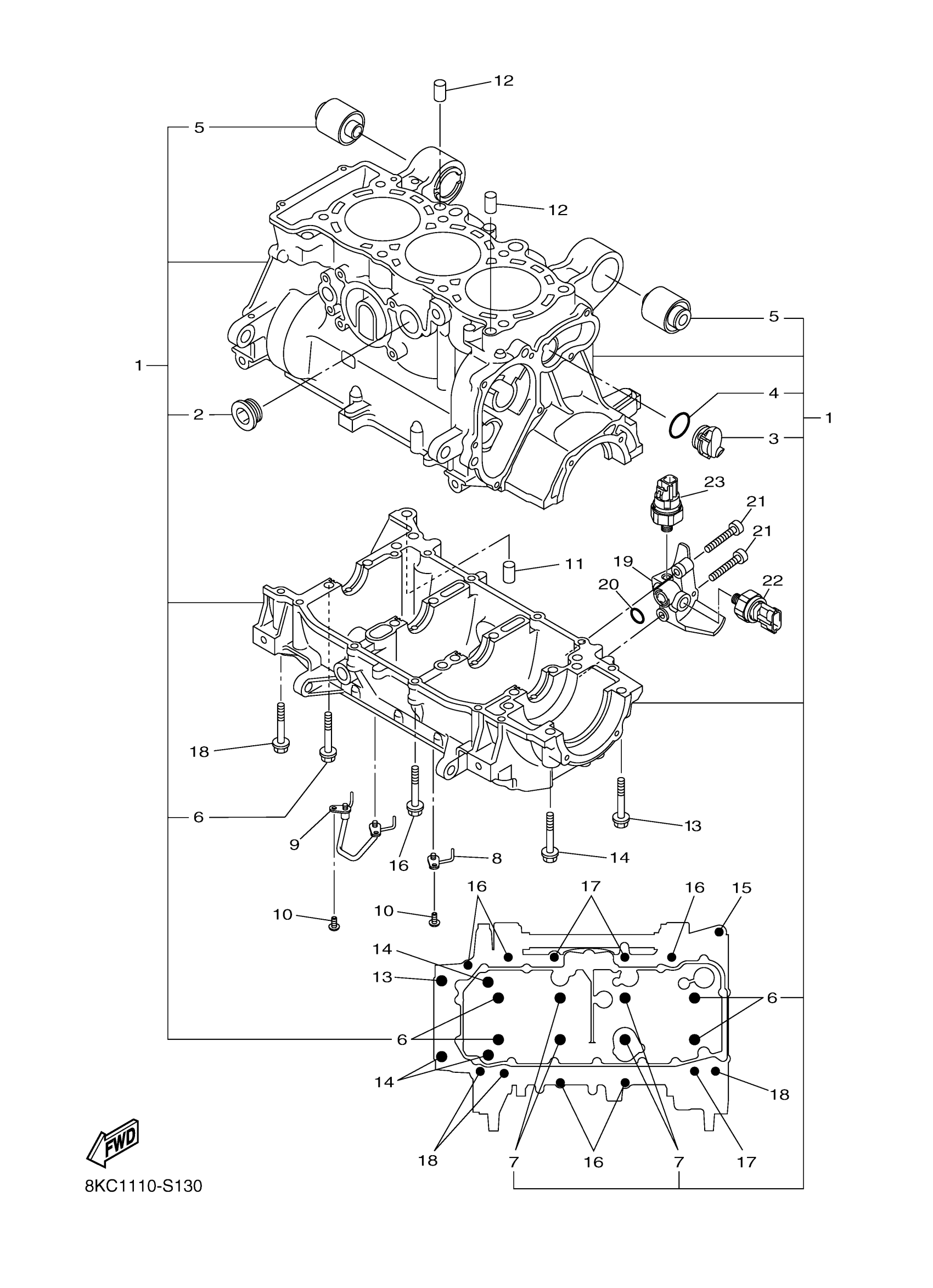
Yamaha SW1NLLPPL (SIDEWINDER LTX LE EPS) 8PD1 2023 CRANKCASE Diagram
#
Description
Price
1
CRANKCASE ASSY
8KJ-15109-08-00
Unavailable
5
DAMPER
8FA-2139X-00-00
Unavailable
8
NOZZLE ASSY
8KJ-15105-00-00
Unavailable
9
NOZZLE ASSY., 2
8KJ-15154-00-00
Unavailable
16
BOLT, FLANGE
95812-06055-00
Unavailable
17
BOLT, FLANGE
95812-06080-00
Unavailable
18
BOLT, FLANGE
95817-06080-00
Unavailable
19
JOINT
8JH-15319-00-00
Unavailable
20
O-RING(36Y)
93210-13657-00
Unavailable
21
BOLT, HEXAGON SOCKET HEAD(1VJ)
90110-06138-00
Unavailable
22
SENDER, OIL PRESSU
8GN-83651-01-00
Unavailable
23
OIL PRESSURE SWITCH
8FP-82504-01-00
Unavailable
