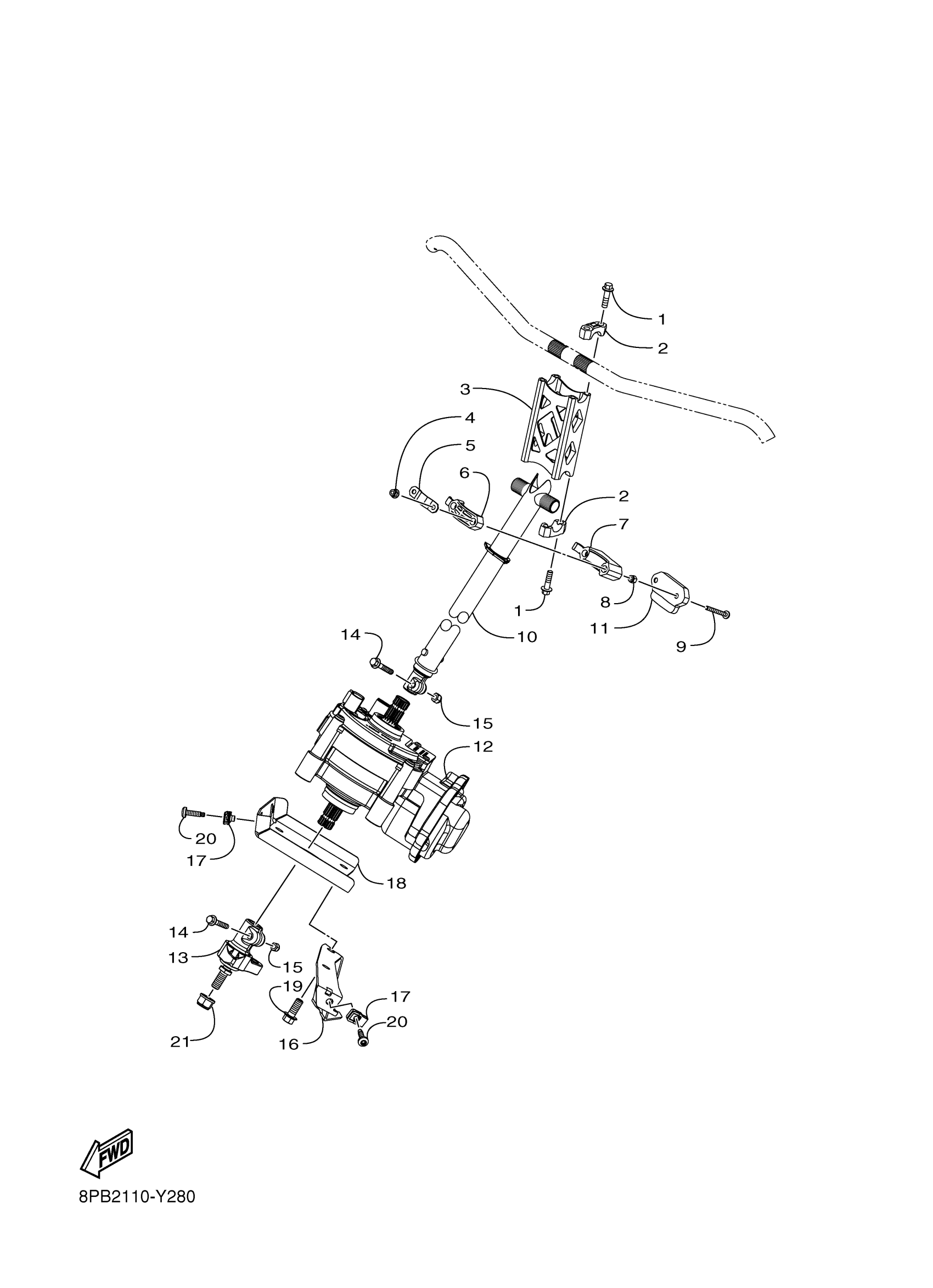
Yamaha SW1NLGPRL (SIDEWINDER LTX GT EPS) 8PB3 2024 STEERING 2 Diagram
#
Description
Price
1
BOLT, FLG. M8X1.25
8JP-RA188-00-00
Unavailable
3
JOINT
8PC-F381B-10-00
Unavailable
14
BOLT, FLANGE 1/4-2
8JM-RA138-00-00
Unavailable
16
BRACKET 1
8PC-F3881-00-00
Unavailable
17
NUT, CLIP M6
8JP-RA354-00-00
Unavailable
18
BRACKET 2
8PC-F3882-00-00
Unavailable
19
BOLT, FLANGE
8ND-RA117-00-00
Unavailable
20
SCREW, M6X18
8KC-RA270-00-00
Unavailable
21
LOCK NUT
8JP-RA378-01-00
Unavailable
