- Partiron
- OEM Parts
- Yamaha
- snowmobile
- 1990
- SV80P (SNOSCOOT) 1990
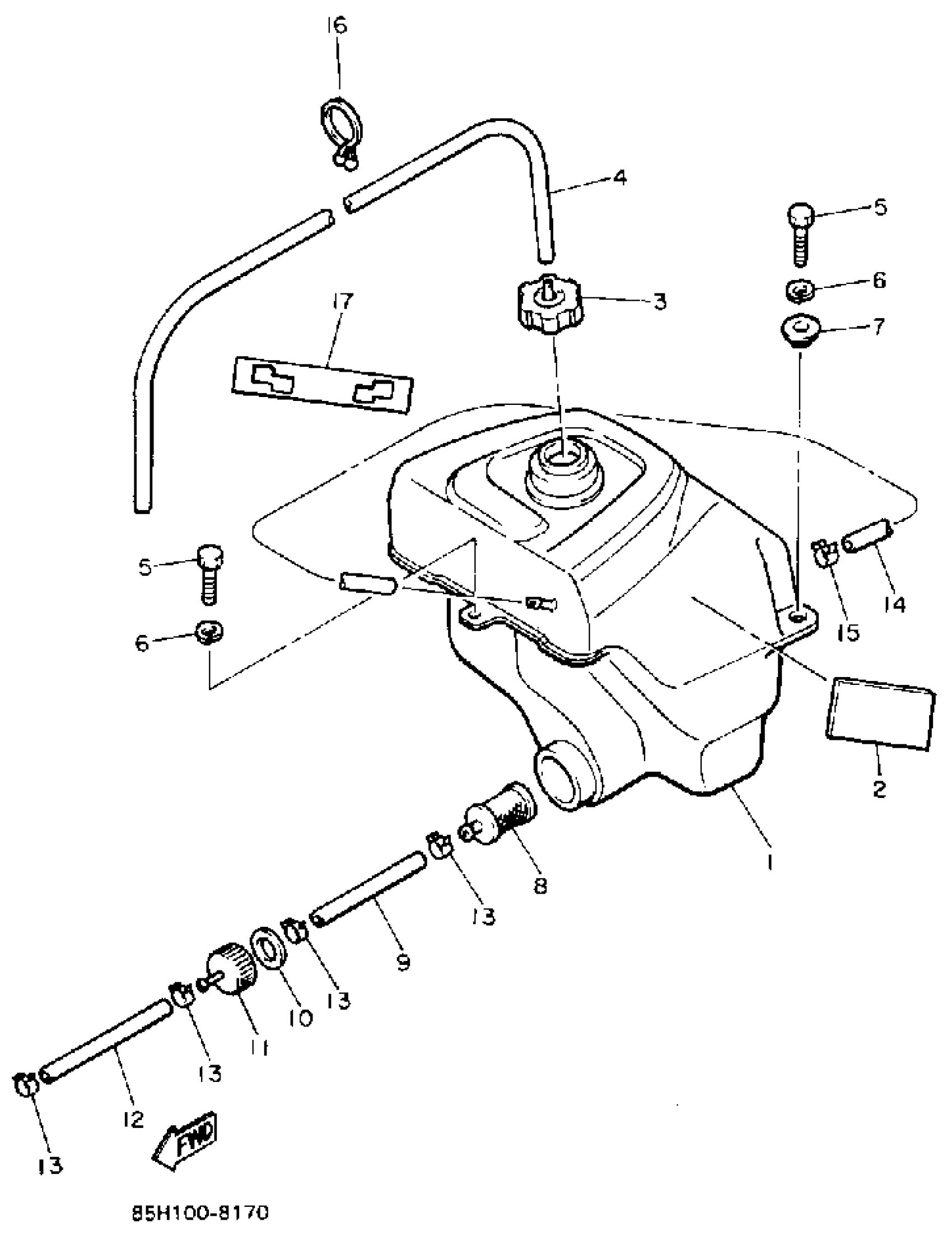
FUEL TANK
Yamaha SV80P (SNOSCOOT) 1990 FUEL TANK Diagram
#
Description
Price
1
FUEL TANK
85G-24111-00-00
Unavailable
3
CAP ASSEMBLY
85G-24610-00-00
Unavailable
7
COLLAR
90387-081U0-00
Unavailable
11
BODY, CAP
8R4-24644-00-00
Unavailable
14
HOSE
(90446-09270-00)
Unavailable
16
CLAMP (3Y2)
90464-16039-00
Unavailable
17
REFLECTOR 1
85G-7716E-00-00
Unavailable
