- Partiron
- OEM Parts
- Yamaha
- snowmobile
- 1988
- SV80M (SNOSCOOT) 1988
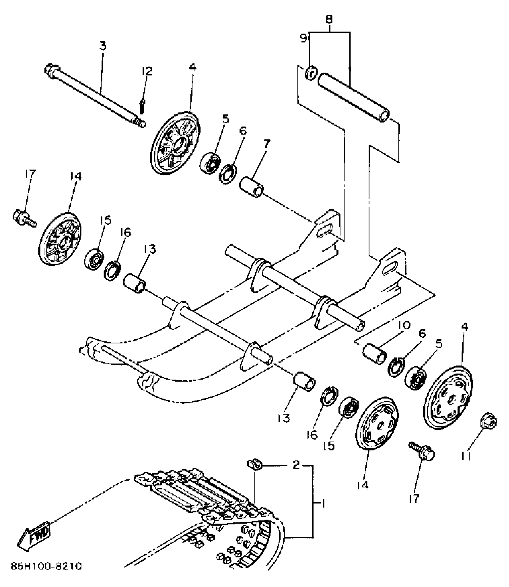
TRACK SUSPENSION 1
Yamaha SV80M (SNOSCOOT) 1988 TRACK SUSPENSION 1 Diagram
#
Description
Price
1
TRACK ASSY
85G-47110-09-00
Unavailable
3
AXLE, REAR
85G-47521-00-00
Unavailable
4
SUSPENSION WHEEL COMP.
8U7-47320-00-00
Unavailable
7
COLLAR
90387-206T7-00
Unavailable
8
COLLAR
99999-01812-00
Unavailable
9
WASHER, PLATE (888)
90201-20279-00
Unavailable
10
COLLAR
90387-206T8-00
Unavailable
13
COLLAR
90387-206T8-00
Unavailable
17
BOLT, WASHER BASED
90105-14488-00
Unavailable
