- Partiron
- OEM Parts
- Yamaha
- snowmobile
- 1990
- SV80EP (SNOSCOOT (ELEC START)) 1990
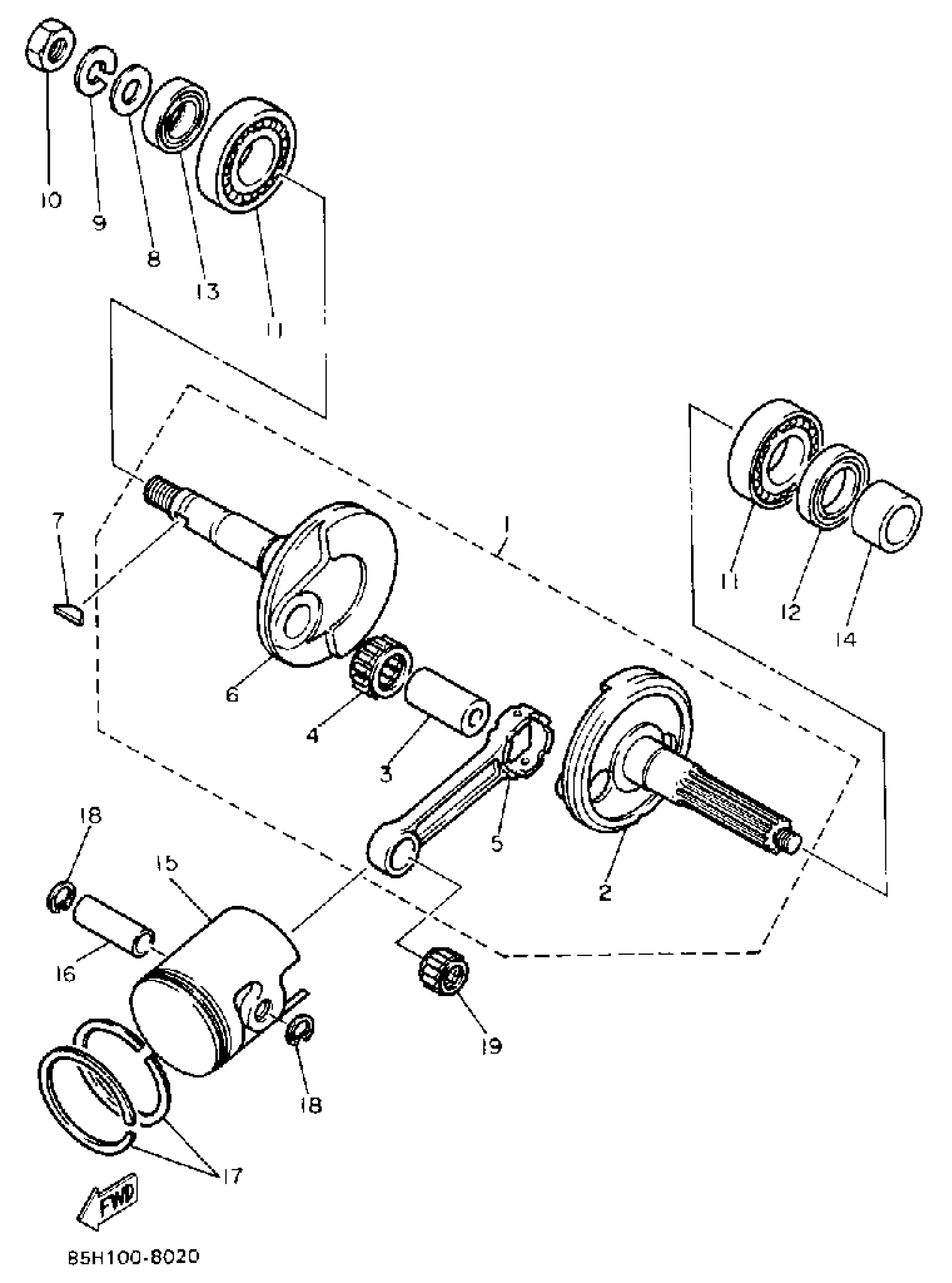
CRANKSHAFT - PISTON
Yamaha SV80EP (SNOSCOOT (ELEC START)) 1990 CRANKSHAFT - PISTON Diagram
#
Description
Price
1
CRANKSHAFT ASSEMBLY
85G-11400-00-00
Unavailable
2
. CRANK 1
85G-11412-00-00
Unavailable
6
. CRANK 2
85G-11422-00-00
Unavailable
13
OIL SEAL, SD-TYPE
93102-20397-00
Unavailable
14
COLLAR
90387-170G9-00
Unavailable
15
PISTON STD
3M8-11631-01-96
Unavailable
15
PISTON 2 O/S 0.50
3M8-11636-01-00
Unavailable
16
PIN, PISTON
527-11633-00-00
Unavailable
17
PISTON RING SET (STD)
3M8-11610-03-00
Unavailable
17
PISTON RINGSET 2ND
3M8-11610-23-00
Unavailable
18
CIRCLIP 132116340000
93450-13022-00
Unavailable
19
BRG,CYL-CAL ROLLER 5G TM
93310-11268-00
Unavailable
