Partiron

Yamaha SV80EN (SNOSCOOT (ELEC START)) 1989 HEADLIGHT Diagram

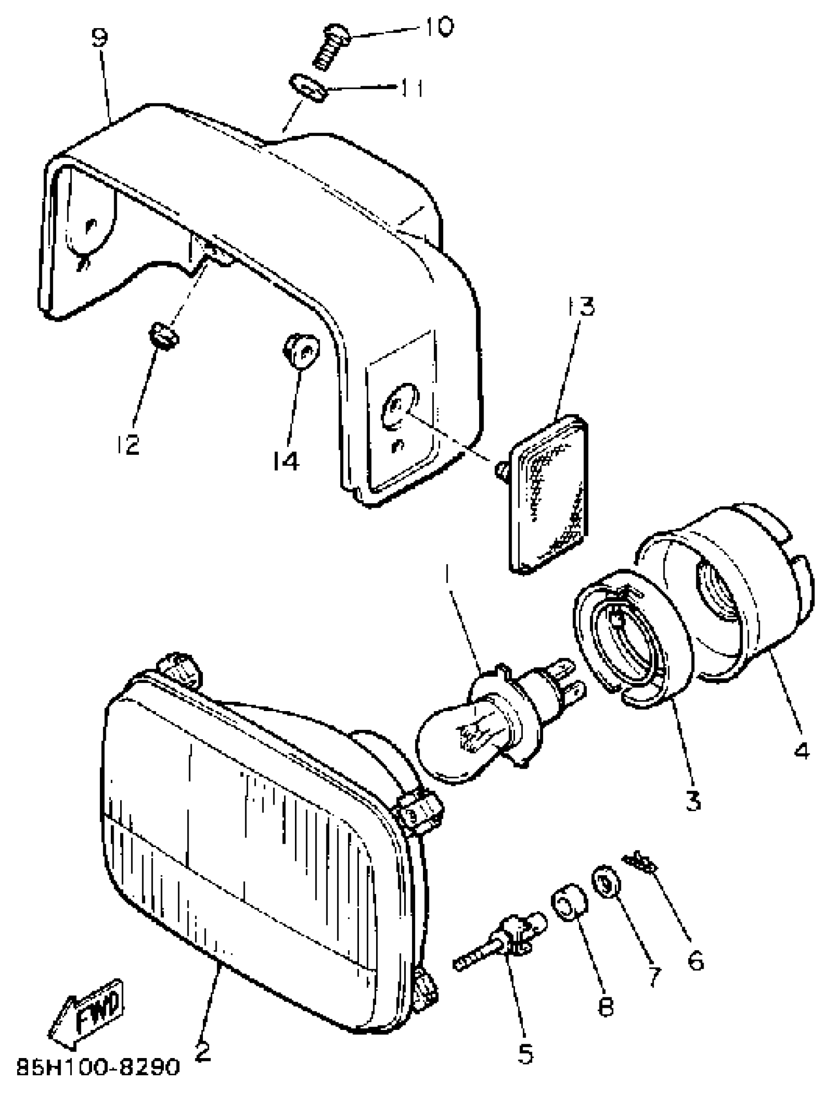
#

Description
Price

1

BULB,HL 12V60/60W

8A7-84314-00-XX

Unavailable

2

LENS ASSEMBLY

85G-84320-00-00

Unavailable

3

HOLDER, SOCKET

8A7-84312-00-00

$29.99

4

COVER, SOCKET

8A7-84397-01-00

Unavailable

5

. SCREW, RIM ADJUSTING

8V0-84331-00-00

Unavailable

6

CLIP 136253750000

90468-12006-00

$8.49

7

WASHER, PLATE(3TJ)

90201-090P4-00

$1.75

8

. DAMPER, HEADLIGHT 1

8V0-84366-00-00

Unavailable

9

BODY, HEADLIGHT

85G-84311-00-00

Unavailable

10

SCREW, PAN

98507-06035-00

$8.49

11

WASHER(6TA)

92907-06200-00

$8.49

13

FRONT REFLECTOR ASSY

23V-85110-00-00

$27.99

14

NUT, FLANGE(3GM)

95707-05500-00

$8.49