- Partiron
- OEM Parts
- Suzuki
- Motorcycle
- 2025
- SV650AM5(E28) (2025)
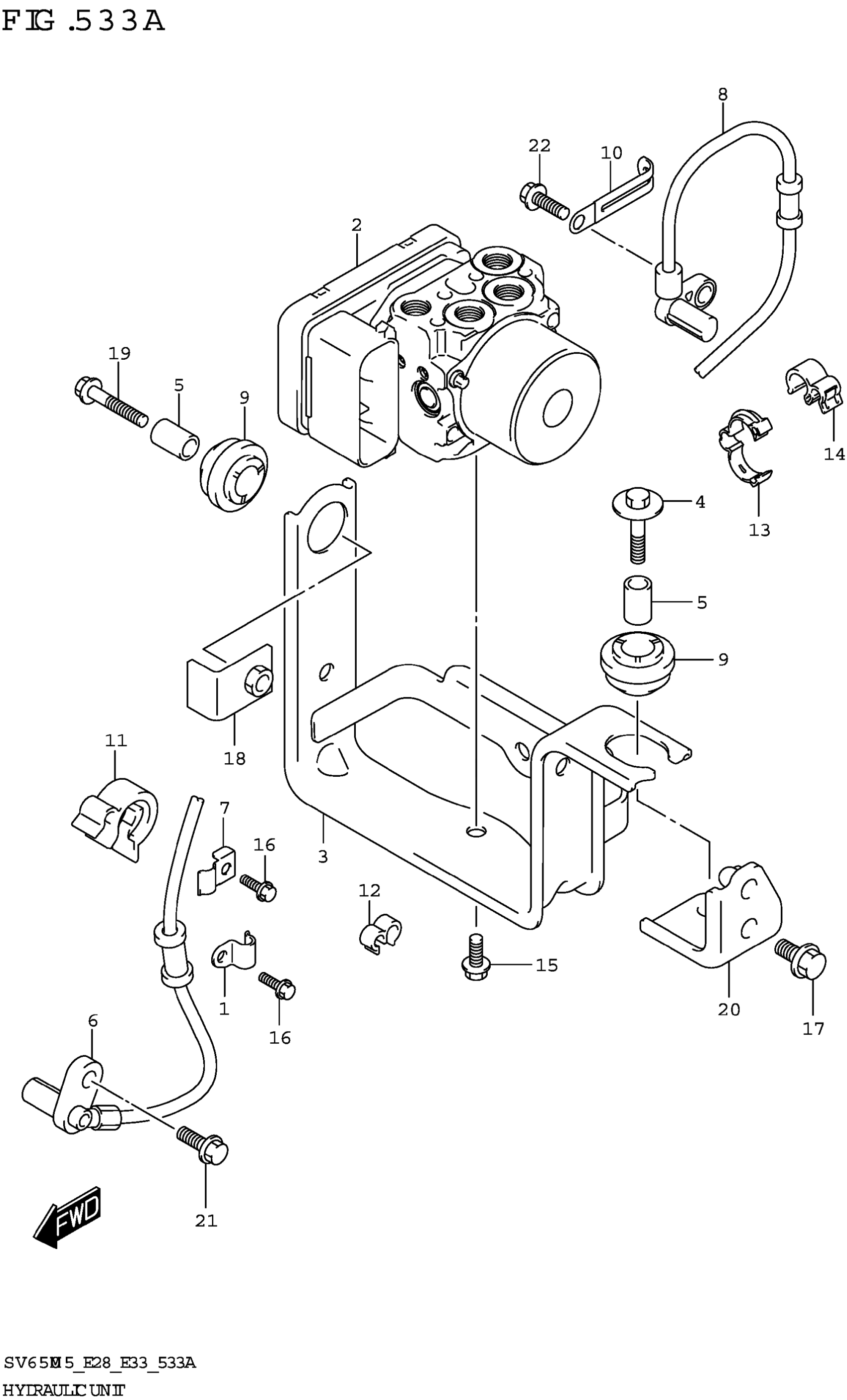
HYDRAULIC UNIT
Suzuki SV650AM5(E28) (2025) HYDRAULIC UNIT Diagram
#
Description
Price
4
BOLT (6X26.5)
09116-06510
Unavailable
5
SPACER,HYDR UNIT MTG (#05)
55662-10G00
Unavailable
7
CLAMP,SENSOR LEAD FR NO.3
55733-44H00
Unavailable
13
CLAMP
09408-00259
Unavailable
