- Partiron
- OEM Parts
- Suzuki
- Motorcycle
- 2023
- SV650AM3 (2023)
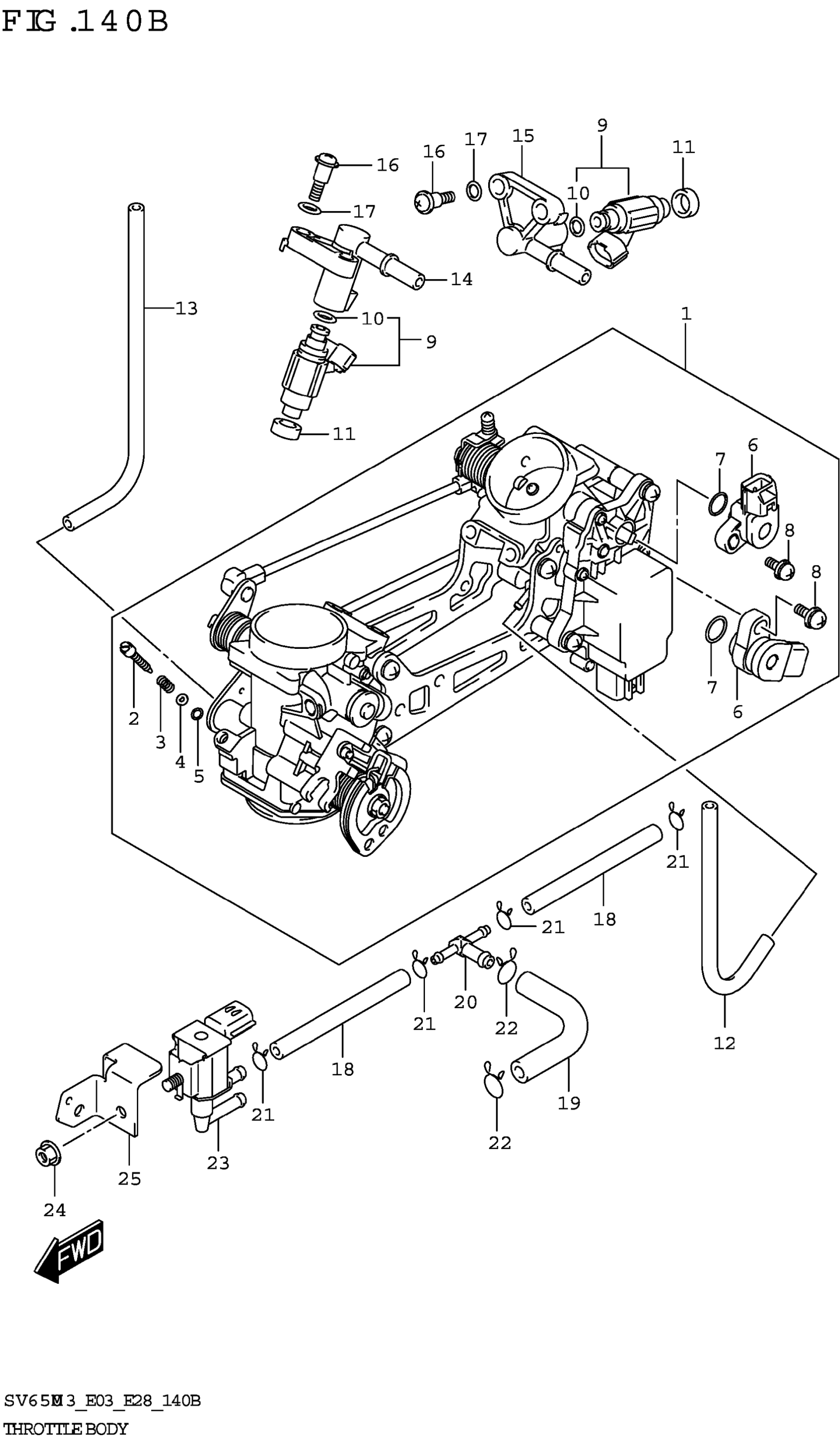
THROTTLE BODY (E33)
Suzuki SV650AM3 (2023) THROTTLE BODY (E33) Diagram
#
Description
Price
14
DELIVERY PIPE
15731-11J00
Unavailable
15
DELIVERY PIPE
15732-11J00
Unavailable
18
HOSE
13681-06G40
Unavailable
19
HOSE
13683-44H30
Unavailable
25
BRACKET
18119-44H00
Unavailable
