- Partiron
- OEM Parts
- Suzuki
- Motorcycle
- 2002
- SV650 (2002)
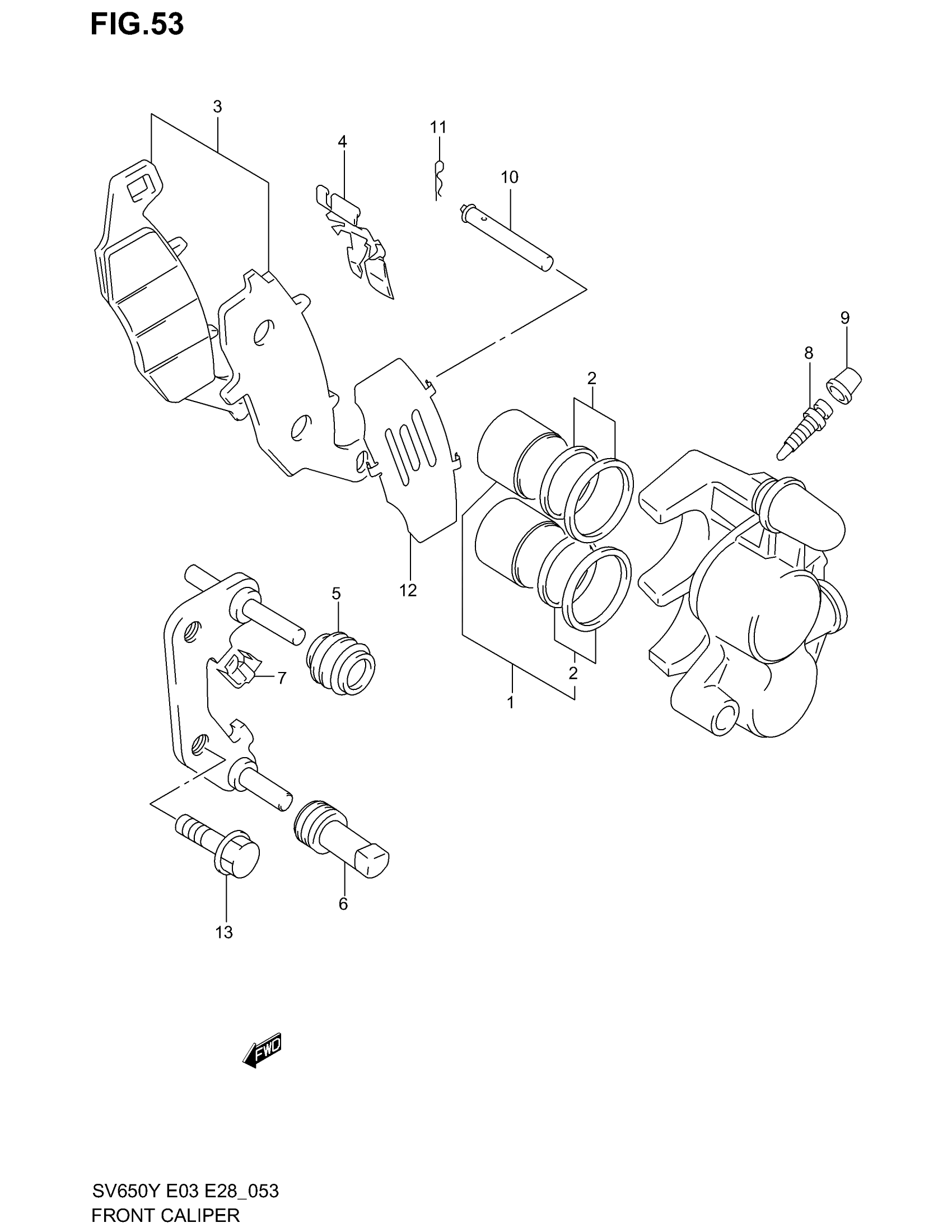
FRONT CALIPER
Suzuki SV650 (2002) FRONT CALIPER Diagram
#
Description
Price
CALIPER ASSY, FRONT | Includes Item(s) 1 - 12 This part replaces 59300-33D80.
59300-33D81-999
$570.20
