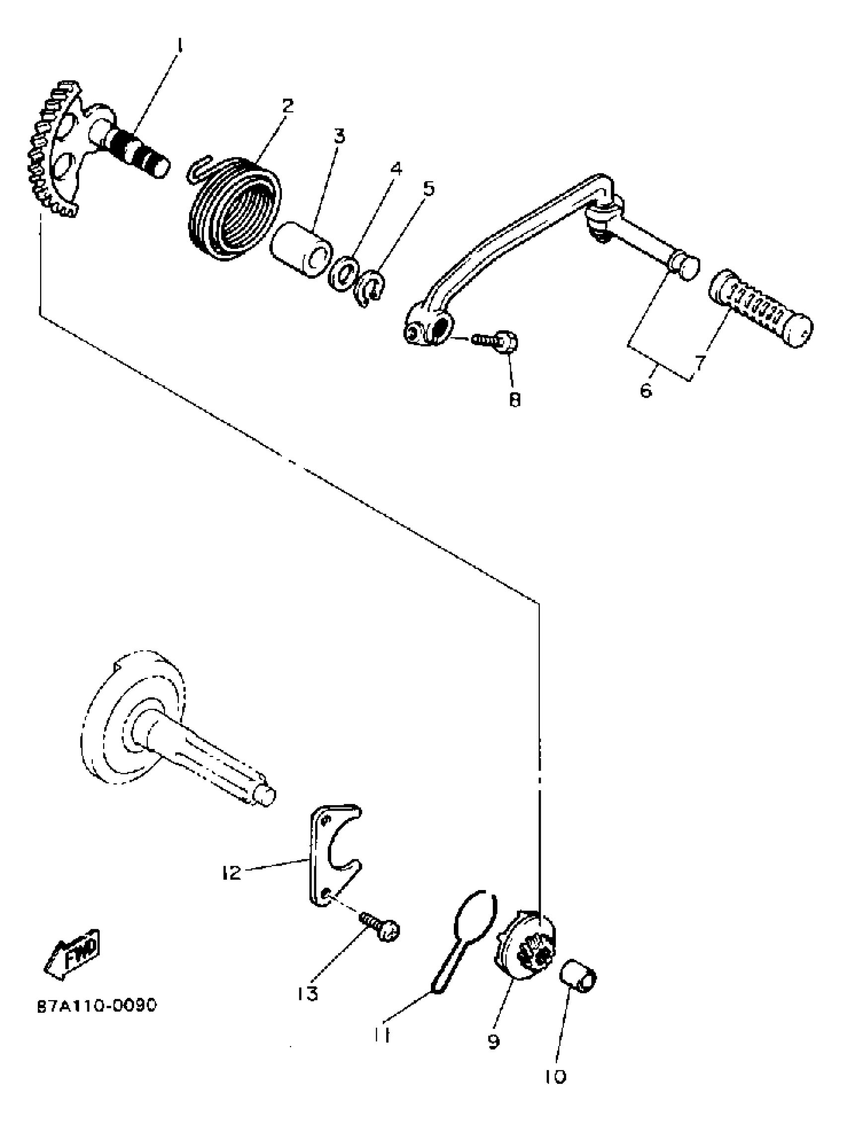
Partiron

Yamaha SV125R (SNOSPORT) 1991 STARTER Diagram

#

Description
Price

1

KICK SHAFT ASSEMBLY

87A-15601-00-00

Unavailable

2

SPRING, TORSION(3AA)

90508-32768-00

$17.99

3

BUSH, SOLID

90380-15817-00

Unavailable

4

WASHER, PLATE (5G3)

90201-154E9-00

$9.49

5

CIRCLIP(1AR)

99009-15400-00

$8.49

6

KICK CRANK ASSEMBLY

87A-15620-00-00

Unavailable

7

COVER, KICK LEVER

156-15618-01-00

$7.99

8

BOLT, HEXAGON

97017-06025-00

$4.24

9

KICK PINION ASY

87A-15630-00-00

Unavailable

10

BUSH, SOLID(85G)

90380-08201-00

$17.99

11

CLIP

87A-15673-00-00

Unavailable

12

STAY 1

87A-15544-00-00

Unavailable

13

SCREW, PAN HEAD(62J)

97885-06012-00

Unavailable