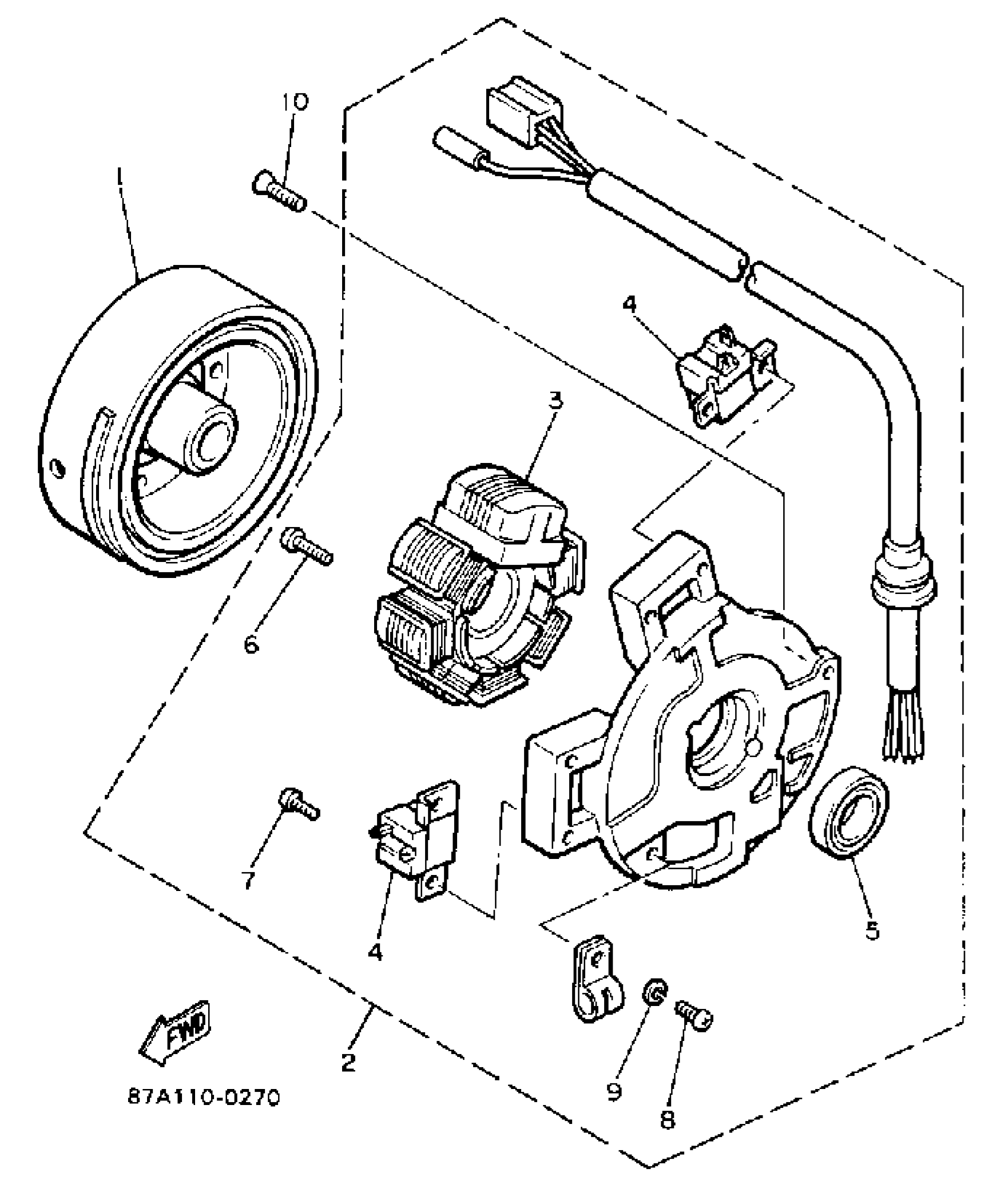
GENERATOR
#
1
87A-85550-00-00
Unavailable
2
87A-85560-00-00
Unavailable
3
85G-81403-M1-00
Unavailable
4
2JA-85580-M0-00
Unavailable
5
93104-19082-00
Unavailable
6
98511-05025-00
Unavailable
7
97885-05010-00
Unavailable
8
98517-04006-00
Unavailable
10
98704-06016-00
Unavailable
Edit ride
