- Partiron
- OEM Parts
- Yamaha
- snowmobile
- 1990
- SV125P (SNOSPORT) 1990
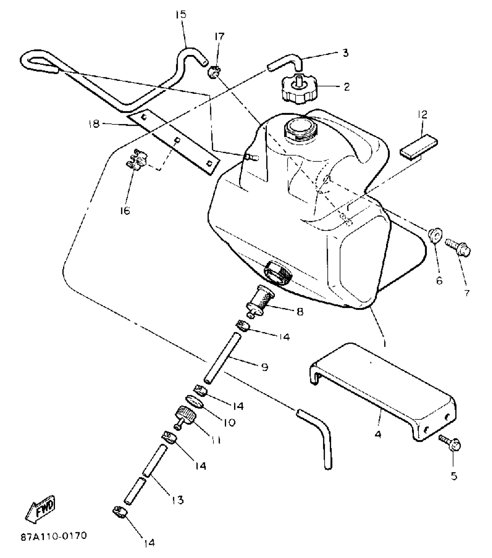
FUEL TANK
Yamaha SV125P (SNOSPORT) 1990 FUEL TANK Diagram
#
Description
Price
1
FUEL TANK
87A-24111-00-00
Unavailable
2
CAP ASSEMBLY
85G-24610-00-00
Unavailable
4
PLATE
(87A-2413X-00-00)
Unavailable
6
COLLAR
90387-081U0-00
Unavailable
11
BODY, CAP
8R4-24644-00-00
Unavailable
12
SPACER 2
87A-24175-00-00
Unavailable
16
CLAMP(87A)
90464-08126-00
Unavailable
17
CLIP (8A1)
90467-09026-00
Unavailable
18
REFLECTOR 1
87A-7716E-00-00
Unavailable
