- Partiron
- OEM Parts
- Yamaha
- snowmobile
- 1991
- SV125ER (SNOSPORT (ELEC START)) 1991
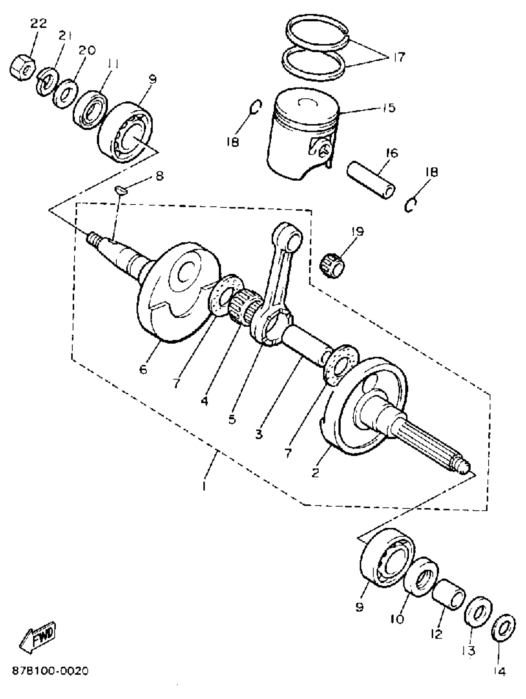
CRANKSHAFT PISTON
Yamaha SV125ER (SNOSPORT (ELEC START)) 1991 CRANKSHAFT PISTON Diagram
#
Description
Price
1
CRANKSHAFT ASSEMBLY
87A-11400-00-00
Unavailable
2
. CRANK 1
87A-11412-00-00
Unavailable
3
PIN CRANK
682-11681-00-00
Unavailable
6
. CRANK 2
87A-11422-00-00
Unavailable
11
OIL SEAL, S-TYPE
93101-25152-00
Unavailable
12
COLLAR
90387-161L3-00
Unavailable
15
PISTON STD (STD)
50W-11631-00-96
Unavailable
15
PISTON 1 O/S 0.25 (0.25MM O/S)
50W-11635-00-00
Unavailable
15
PISTON 2 O/S 0.50 (0.50MM O/S)
50W-11636-00-00
Unavailable
16
PIN,PISTON
634-11633-00-00
Unavailable
17
PISTON RING SET (STD)
18G-11601-00-00
Unavailable
17
PISTON RING SET (1ST O/S)
18G-11601-10-00
Unavailable
17
PISTON RING SET (2ND O/S)
18G-11601-20-00
Unavailable
18
CIRCLIP (23F)
93450-15090-00
Unavailable
19
BRG,CYL-CAL ROLLER 7G TM
93310-21403-00
Unavailable
20
WASHER, PLATE(663)
92990-12600-00
Unavailable
21
YBS67-12 WASHER,SPRING
92990-12100-00
Unavailable
22
NUT, HEXAGON (525)
90170-12181-00
Unavailable
