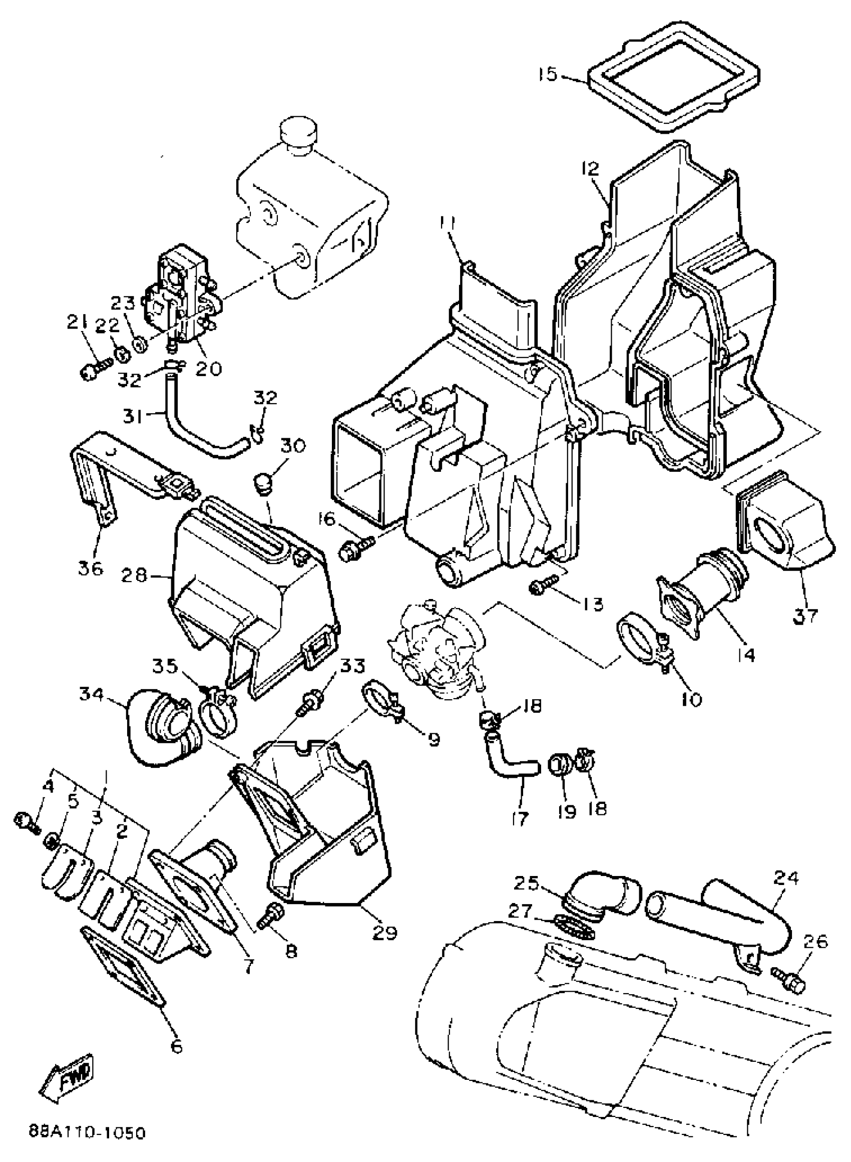
Yamaha SV125ER (SNOSPORT (ELEC START)) 1991 AIR CLEANER Diagram
#
3
. STOPPER, REED VALVE
345-13616-70-00
Unavailable
7
MANIFOLD, INTAKE
87A-13555-00-00
Unavailable
8
BOLT,SOCKET
91317-06020-00
Unavailable
11
SILENCER, INTAKE 1
87A-14431-01-00
Unavailable
12
SILENCER, INTAKE 2
87A-14441-01-00
Unavailable
14
JOINT, AIR CLNR 1
88A-14453-00-00
Unavailable
15
SEAL
87A-14452-00-00
Unavailable
16
BOLT, FLANGE
95817-06016-00
Unavailable
17
TUBE, FLEXIBLE VINYL(86X)
91A20-07100-00
Unavailable
18
CLIP (7K7)
90467-11044-00
Unavailable
19
GROMMET
90480-15257-00
Unavailable
20
FUEL PUMP ASSEMBLY
87A-24410-00-00
Unavailable
21
SCREW PAN HEAD
98580-06020-00
Unavailable
22
WASHER, SPRING
92995-06100-00
Unavailable
23
WASHER, PLAIN (646)
92990-06600-00
Unavailable
24
JOINT, AIR CLNR 2
87A-14463-00-00
Unavailable
25
PIPE, JOINT
87A-14485-00-00
Unavailable
26
BOLT, FLANGE
95817-06012-00
Unavailable
27
SPRING,TENSION
90506-06327-00
Unavailable
28
COVER, CARBURETOR
87A-14283-00-00
Unavailable
29
COVER, CARBURETOR 2
87A-14284-00-00
Unavailable
30
PLUG (17J)
90338-10132-00
Unavailable
31
HOSE (L450)
90445-10144-00
Unavailable
32
CLIP
90467-090A2-00
Unavailable
33
BOLT, FLANGE
95817-06035-00
Unavailable
34
DUCT
87A-14437-00-00
Unavailable
36
GROMMET
87A-14435-00-00
Unavailable
37
TANK, SURGE
88A-1446E-00-00
Unavailable
