Partiron

Yamaha SV125EP (SNOSPORT (ELEC START)) 1990 GENERATOR Diagram

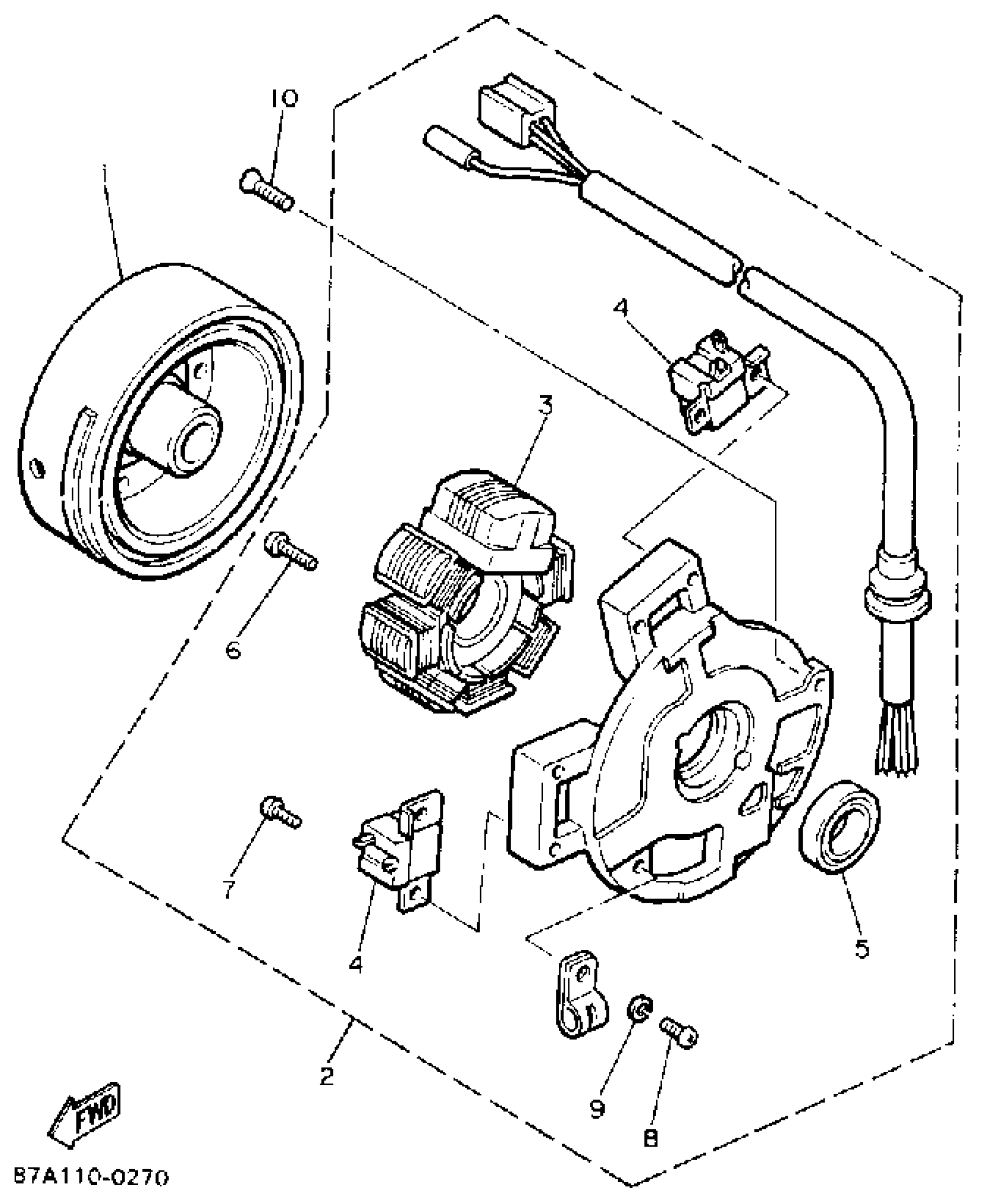
#

Description
Price

1

ROTOR ASSEMBLY

87A-85550-00-00

Unavailable

2

BASE ASSEMBLY

87A-85560-00-00

Unavailable

3

. STATOR

85G-81403-M1-00

Unavailable

4

. COIL, PULSER

2JA-85580-M0-00

Unavailable

5

. OIL SEAL, SO-TYPE

93104-19082-00

Unavailable

6

. SCREW, PAN HEAD

98511-05025-00

Unavailable

7

SCREW, PAN HEAD(62X)

97885-05010-00

Unavailable

8

SCREW, PAN HEAD(3XP)

98517-04006-00

Unavailable

9

YBS67-4 WASHER, SPRING

92990-04100-00

$0.86

10

SCREW, FLAT

98707-06014-00

$8.49