Partiron

Yamaha SV1200B (SUV1200) GU57 2003 REPAIR KIT 2 Diagram

#

Description
Price

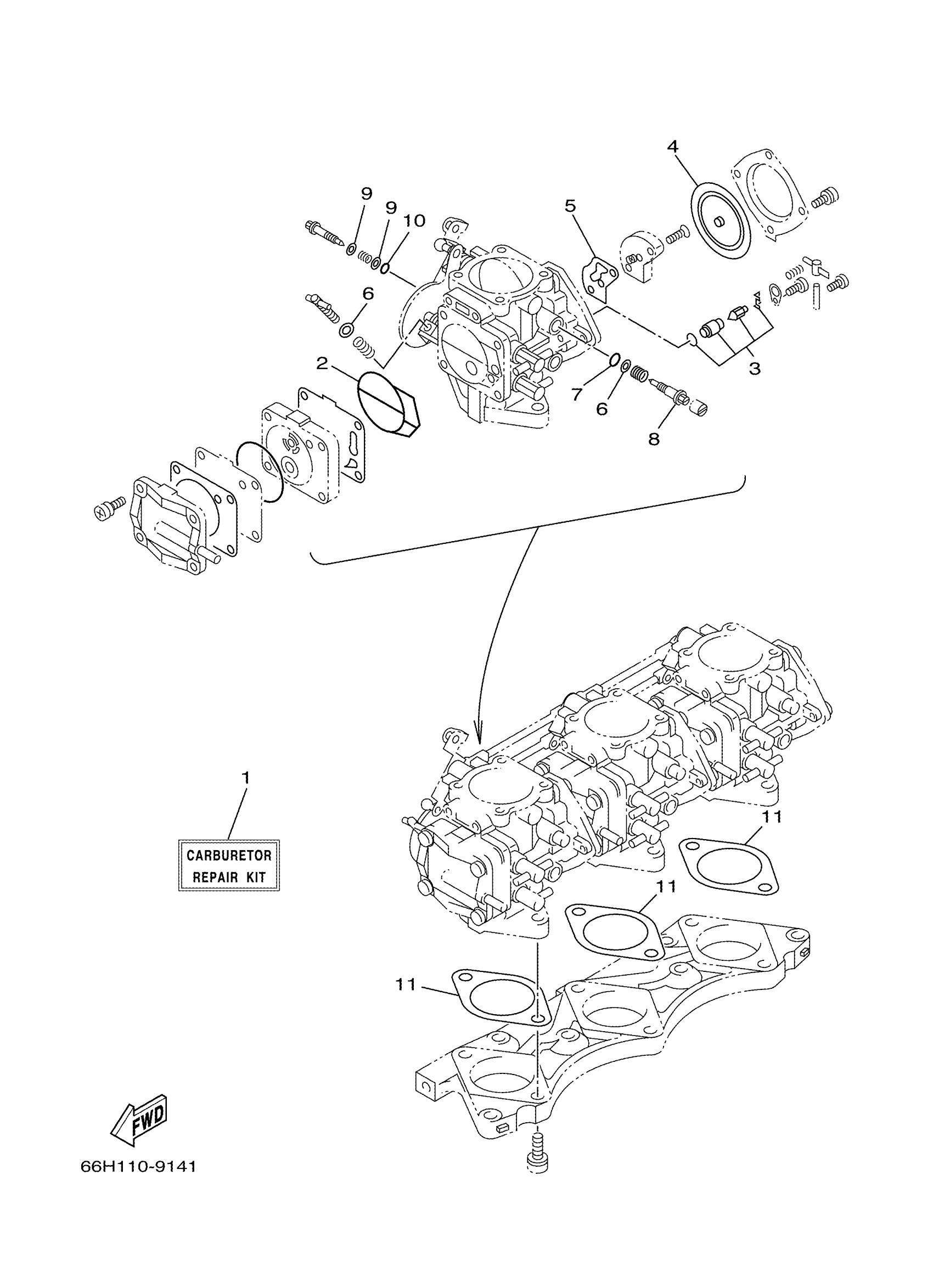
1

CARBURETOR REPAIR KIT

65U-W0093-00-00

Unavailable

2

. O-RING

6K8-14564-00-00

Unavailable

3

NEEDLE

64T-14916-01-00

Unavailable

4

. DIAPHRAGM, PUMP

6R7-14541-00-00

Unavailable

5

. GASKET

6K8-14536-11-00

Unavailable

6

WASHER,NEEDLE

812-14235-00-00

Unavailable

7

. O-RING

6K8-14562-00-00

Unavailable

8

. PLATE, NEEDLE FITTING

6K8-14946-10-00

Unavailable

9

WASHER, NEEDLE

822-14235-00-00

$4.37

10

O-RING

583-14561-00-00

$5.49

11

GASKET

64X-14398-00-00

Unavailable