- Partiron
- OEM Parts
- Suzuki
- Motorcycle
- 2007
- SV1000 (2007)
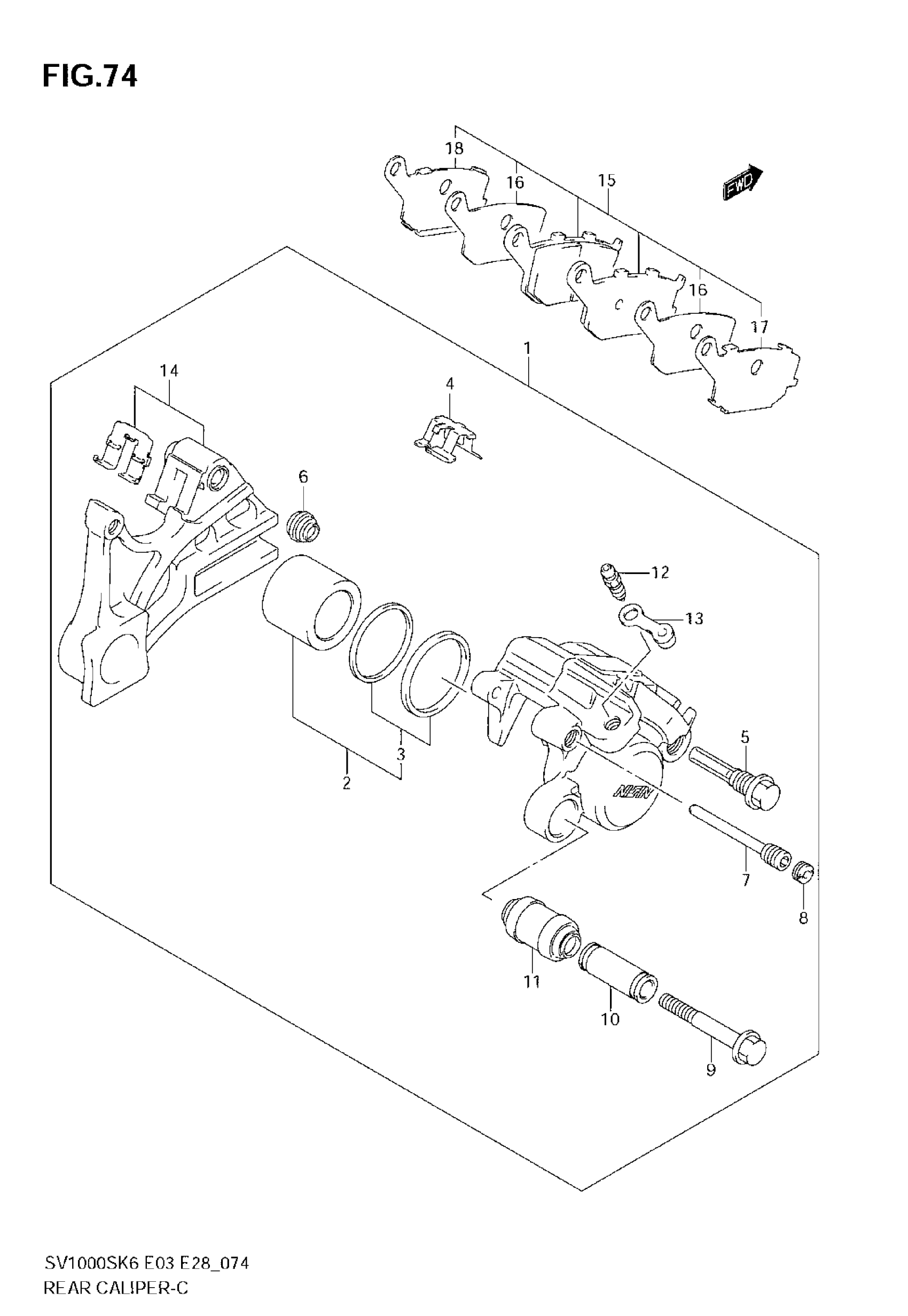
REAR CALIPER
Suzuki SV1000 (2007) REAR CALIPER Diagram
#
Description
Price
1
CALIPER ASSY,RE | Includes Item(s) 2 - 14 This part replaces 69100-16G10-999.
69100-16G11-999
$329.08
14
BRACKET
69150-16G10
Unavailable
