- Partiron
- OEM Parts
- Kawasaki
- watercraft
- 1995
- Super Sport XI
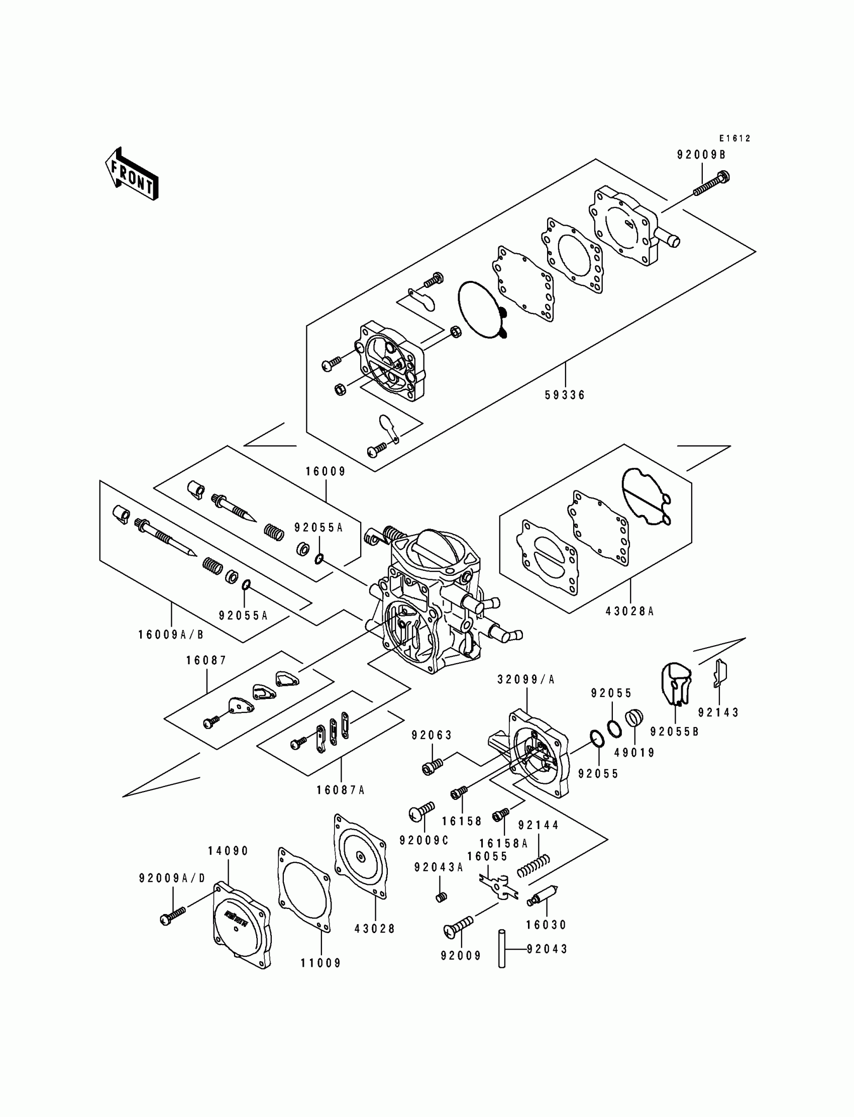
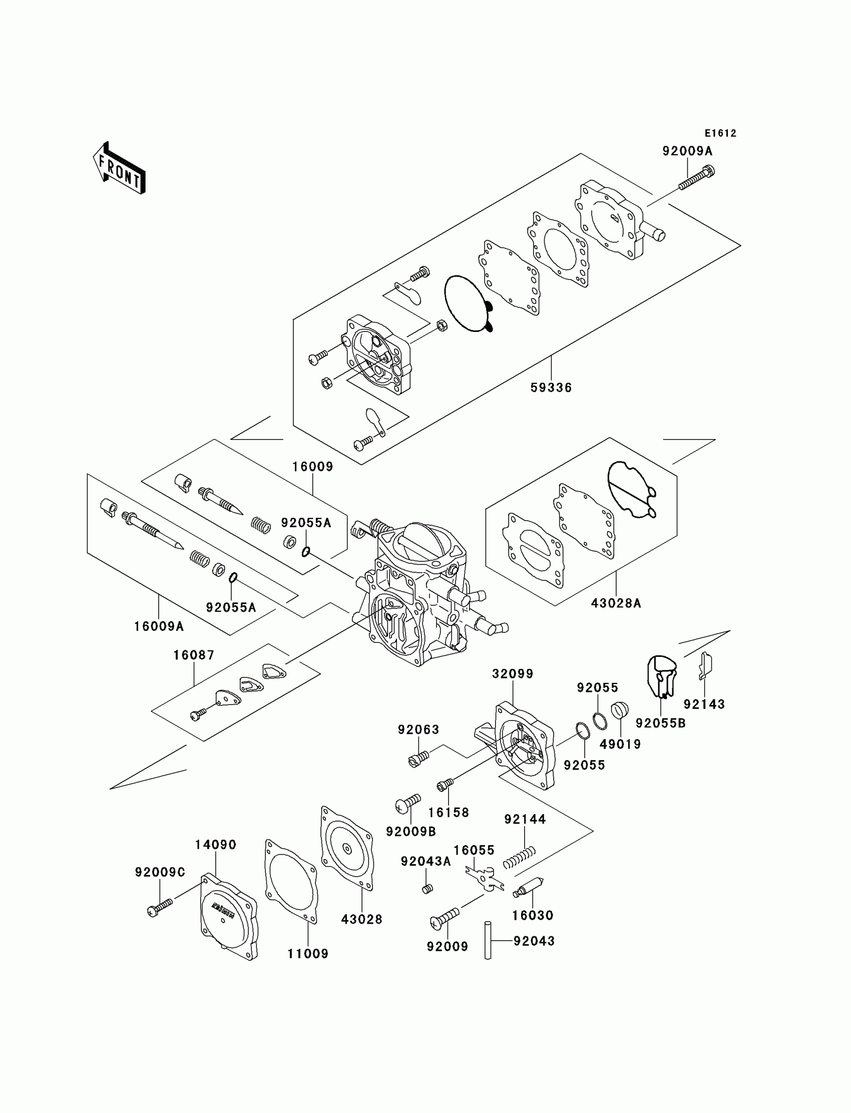
Carburetor Parts
Kawasaki Super Sport XI Carburetor Parts Diagram
#
Description
Price
14090
COVER,DIAPHRAGM
14090-3702
Unavailable
16009B
NEEDLE-JET,SLOW
16009-3715
Unavailable
16158
JET-SLOW,#72
16158-3710
Unavailable
16158A
JET-SLOW,#45
16158-3711
Unavailable
32099A
CASE,CARBURETOR
32099-3791
Unavailable
92063
JET-MAIN,#135
92063-3706
Unavailable
