- Partiron
- OEM Parts
- Kawasaki
- motorcycle
- 2004
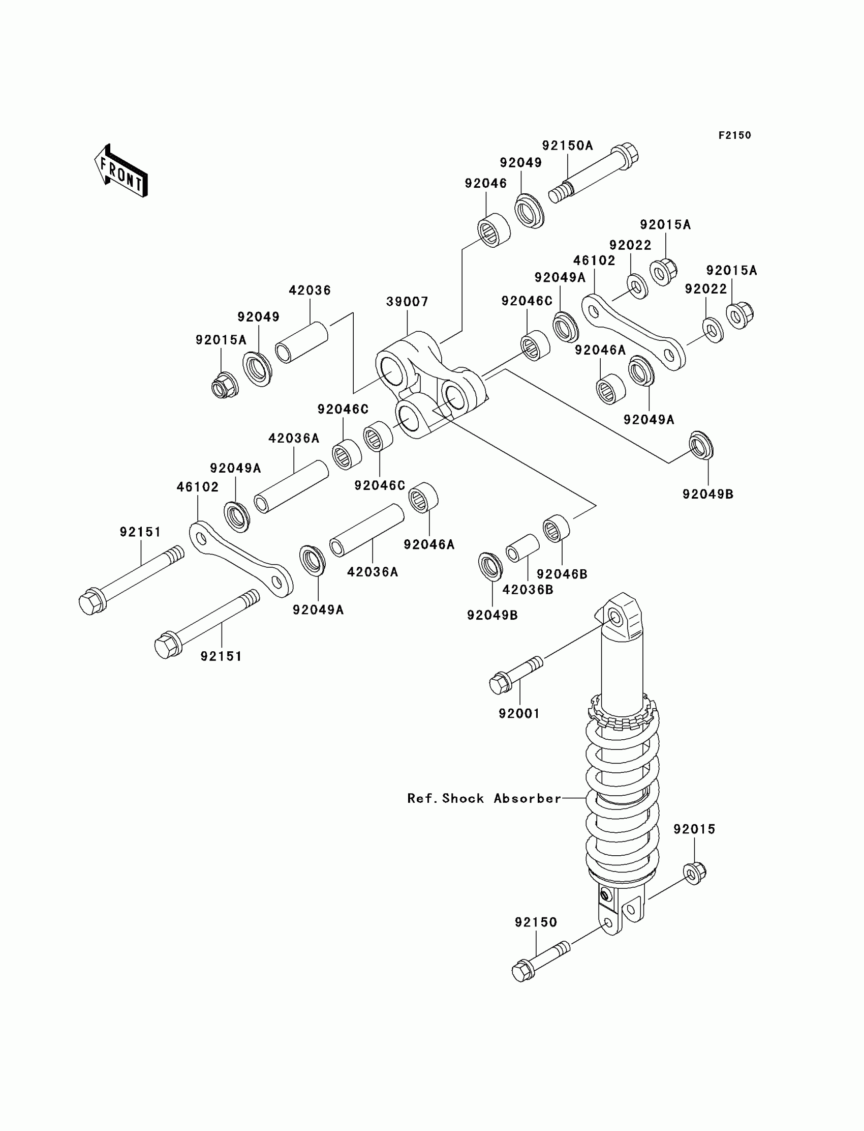
- Super Sherpa (Canada Only)
Rear Suspension
Kawasaki Super Sherpa (Canada Only) Rear Suspension Diagram
#
Description
Price
Rear Suspension
#
Edit ride
