Summit 500/583/670, 1998
01- Cooling System
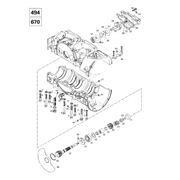
01- Crankcase, Rotary Valve, Water Pump (494, 670)
01- Crankcase, Rotary Valve, Water Pump (583)
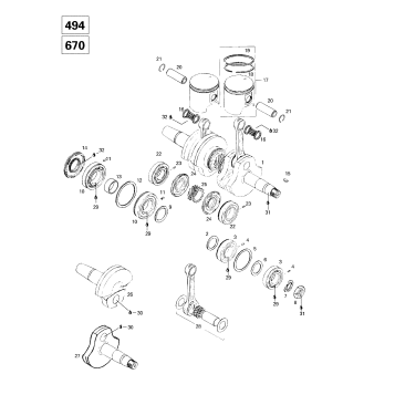
01- Crankshaft And Pistons (494, 670)
01- Crankshaft And Pistons (583)
01- Cylinder, Exhaust Manifold (494)
01- Cylinder, Exhaust Manifold (583)
01- Cylinder, Exhaust Manifold (670)
01- Engine Support And Muffler (494)
01- Engine Support And Muffler (583, 670)
01- High Altitude Compensator (h.a.c.)
02- Carburetors
02- Fuel System
02- Oil Injection System
02- Oil Tank And Support
03- Magneto 12V 220W (494, 670)
03- Magneto 12V 220W (583)
04- Rewind Starter
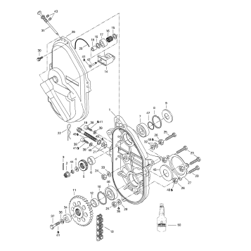
05- Chaincase
05- Drive Axle And Track
05- Drive Pulley
05- Driven Pulley
06- Hydraulic Brake And Belt Guard
07- Front Suspension And Ski
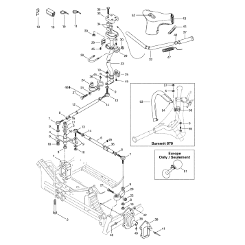
07- Steering System
08- Front Arm, Rear Suspension
08- Rear Arm, Rear Suspension
08- Rear Suspension
09- Cab, Console
09- Decals
09- Frame And Accessories
09- Seat And Accessories
10- Electrical Accessories
10- Electrical System
Fuel Your Passion
Parts That Keep You Riding
Edit ride