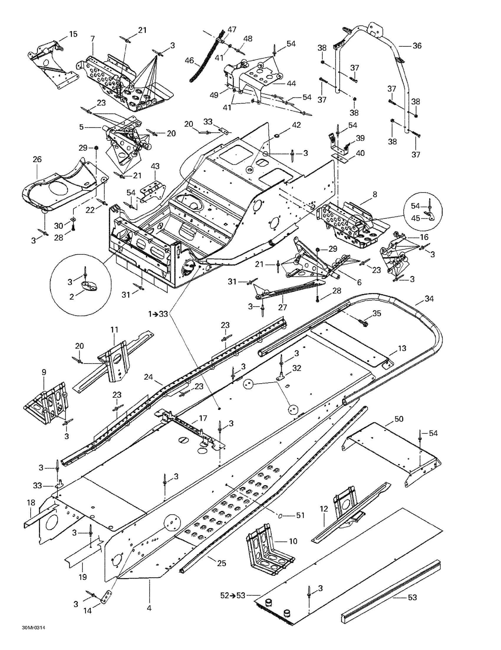
Ski-Doo Summit 600 HO/700/800 HO, 2003 Frame And Accessories Diagram
#
1
Frame | Includes 1 - 33. ADRENALINE & X
415128562
Unavailable
Frame | HIGHMARK & HIGHMARK X Summit 700. Summit 800 HO.
415128563
Unavailable
Frame | HIGHMARK X EXTREME Summit 800 HO.
415128564
Unavailable
2
Plate Bracket
518201307
Unavailable
4
Forming frame | ADRENALINE & X
518323027
Unavailable
Forming frame | HIGHMARK & HIGHMARK X Summit 700. Summit 800 HO.
861802100
Unavailable
Forming frame | HIGHMARK X EXTREME Summit 800 HO.
861802200
Unavailable
5
RH Foot Support
518322845
Unavailable
6
LH Foot Support
518322848
Unavailable
7
RH footrest
518323255
Unavailable
8
LH footrest
518323256
Unavailable
9
RH front bracket
518322819
Unavailable
10
LH front bracket
518322821
Unavailable
11
RH suspension bracket | ADRENALINE & X. HIGHMARK & HIGHMARK X Summit 700. Summit 800 HO.
518322610
Unavailable
RH suspension bracket | HIGHMARK X EXTREME Summit 800 HO.
518323150
Unavailable
12
LH suspension bracket | ADRENALINE & X. HIGHMARK & HIGHMARK X Summit 700. Summit 800 HO.
518322611
Unavailable
LH suspension bracket | HIGHMARK X EXTREME Summit 800 HO.
518323154
Unavailable
13
Rear cap | ADRENALINE & X
518322751
Unavailable
14
REINFORCEMENT PLATE - Call your local BRP dealership
518201321
Unavailable
15
RH Footrest Reinforcement
518322059
Unavailable
16
LH Footrest Reinforcement
518322063
Unavailable
17
FUEL TANK BRACKET - Call your local BRP dealership
518321510
Unavailable
Tank bracket | HIGHMARK & HIGHMARK X Summit 700.. HIGHMARK X EXTREME Summit 800 HO.
518322022
Unavailable
18
RH frame reinforcement
518322812
Unavailable
19
LH frame reinforcement
518322813
Unavailable
24
RHFootrest reinforcement
518323182
Unavailable
25
LHFootrest reinforcement
518323183
Unavailable
26
RH BOTTOM PAN PLATE - Call your local BRP dealership
518322636
Unavailable
27
LH REINFORCEMENT PLATE - Call your local BRP dealership
518322119
Unavailable
30
FLAT WASHER - Call your local BRP dealership | 4X4
250200081
Unavailable
31
HENROB RIVET - Call your local BRP dealership
390910300
Unavailable
32
Seat Bracket
518323321
Unavailable
33
Double Bracket
518323173
Unavailable
34
Rear bumper | ADRENALINE & X
518322430
Unavailable
Rear bumper | ADRENALINE & X (EUROPE) Summit 600 HO. Summit 800 HO.
518322853
Unavailable
Rear bumper | HIGHMARK & HIGHMARK X Summit 700. Summit 800 HO.
518322431
Unavailable
Rear bumper | HIGHMARK X EXTREME Summit 800 HO.
518323184
Unavailable
36
Handle Support
518322755
Unavailable
40
REINFORCEMENT - Call your local BRP dealership
518207500
Unavailable
42
CAP - Call your local BRP dealership
414859400
Unavailable
43
Muffler Support
518322635
Unavailable
44
AIR INTAKE SUPPORT - Call your local BRP dealership
518310400
Unavailable
45
TOOL KIT BRACKET - Call your local BRP dealership
518322031
Unavailable
46
ROPE GUIDE - Call your local BRP dealership
518321569
Unavailable
49
Hose Support
518322699
Unavailable
50
Frame extention | HIGHMARK & HIGHMARK X Summit 700. Summit 800 HO.
518322814
Unavailable
Extention frame | HIGHMARK X EXTREME Summit 800 HO.
518323158
Unavailable
52
Rear radiator | Includes 30 - 31.
518322903
Unavailable
Rear radiator | Summit 800.
518322907
Unavailable
Rear radiator | HIGHMARK X EXTREME Summit 800 HO.
518323450
Unavailable
53
RADIATOR PROTECTOR - Call your local BRP dealership | Formula III 600 LT.
415012300
Unavailable
