- Partiron
- OEM Parts
- Ski-Doo
- 1997
- Summit
- Summit 500/583/670, 1997
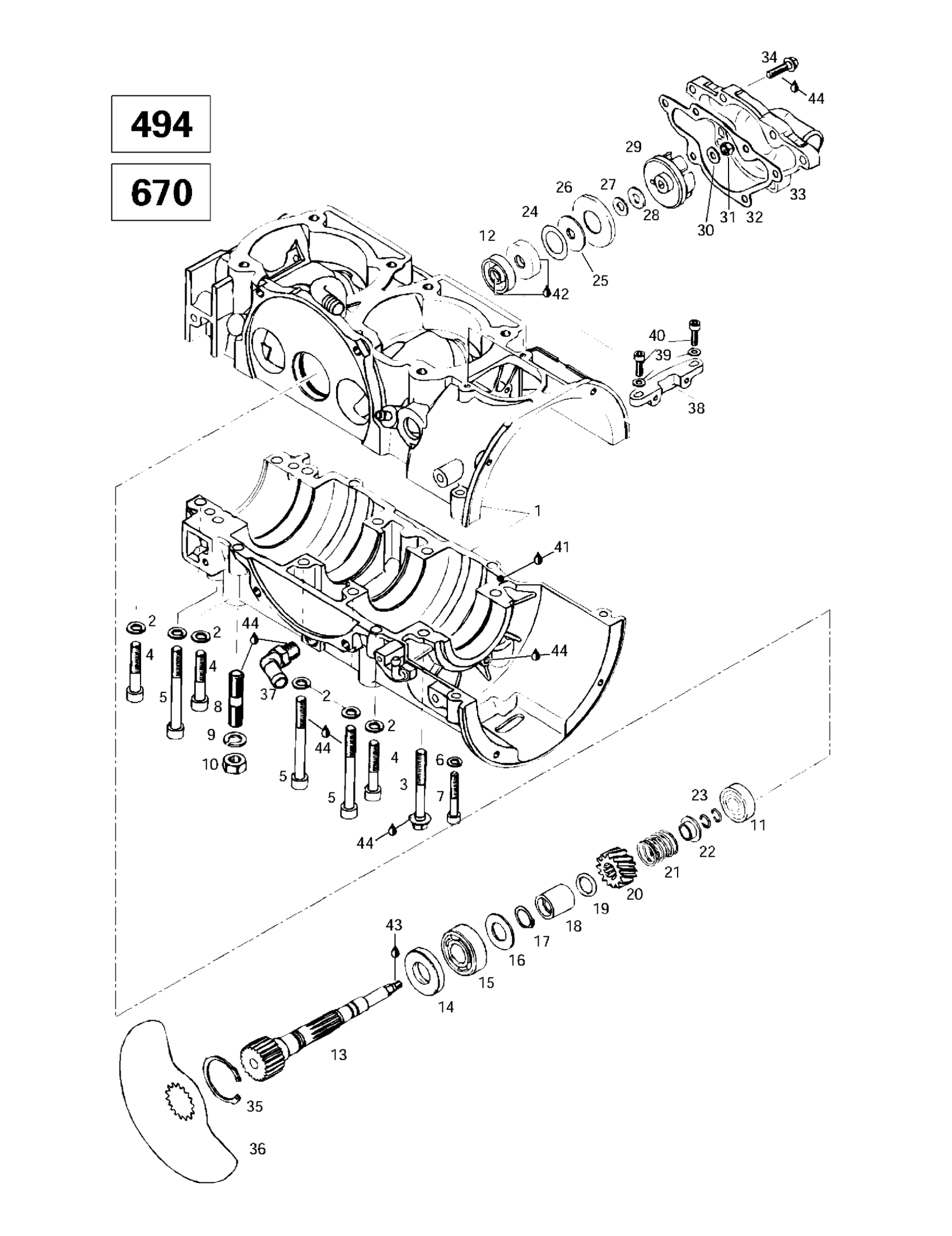
Crankcase, Rotary Valve, Water Pump (494, 670)
Ski-Doo Summit 500/583/670, 1997 Crankcase, Rotary Valve, Water Pump (494, 670) Diagram
#
Description
Price
1
Crankcase Ass'y | Includes 1 - 7. Formula 500. Formula 500 Deluxe.
420887491
Unavailable
Crankcase Ass'y | Includes 1 - 7. MX Z 670.
420887516
Unavailable
4
Socket Head Screw M8 X 45
420841561
Unavailable
5
ALLEN SCREW M8 X 75 - Call your local BRP dealership
420841831
Unavailable
6
WASHER-LOCK DIN.128 - Call your local BRP dealership
420945751
Unavailable
8
Stud M10 X 29/20
420940190
Unavailable
9
Lock Washer | Touring E. Touring E LT (2). Touring LE.
420945753
Unavailable
13
Rotary Valve Shaft | Formula Deluxe 583.
420837242
Unavailable
14
OIL SEAL - Call your local BRP dealership
420930580
Unavailable
15
BALL BEARING - Call your local BRP dealership
293350051
Unavailable
16
SHIM - Call your local BRP dealership
420227439
Unavailable
17
SNAP RING - Call your local BRP dealership
420845450
Unavailable
18
SPACER BUSHING - Call your local BRP dealership
420847282
Unavailable
21
SPRING - Call your local BRP dealership
420938810
Unavailable
22
SPRING SEAT - Call your local BRP dealership
420827430
Unavailable
23
CIRCLIP - Call your local BRP dealership
420845160
Unavailable
24
SHIM - Call your local BRP dealership | Formula Deluxe 583.
420944462
Unavailable
28
Washer
420227155
Unavailable
29
WATER IMPELLER - Call your local BRP dealership
420922036
Unavailable
31
Locking Nut M6
420842042
Unavailable
32
Gasket
420931355
Unavailable
33
Water Pump Housing
420922551
Unavailable
36
ROTARY VALVE (147 DEG.) - Call your local BRP dealership
420924508
Unavailable
ROTARY VALVE (164 DEG.) - Call your local BRP dealership | Formula Deluxe 670.
420924500
Unavailable
38
Fixation
420851280
Unavailable
39
WASHER - Call your local BRP dealership
420827800
Unavailable
41
Sealant, 100 gr
413707100
Unavailable
