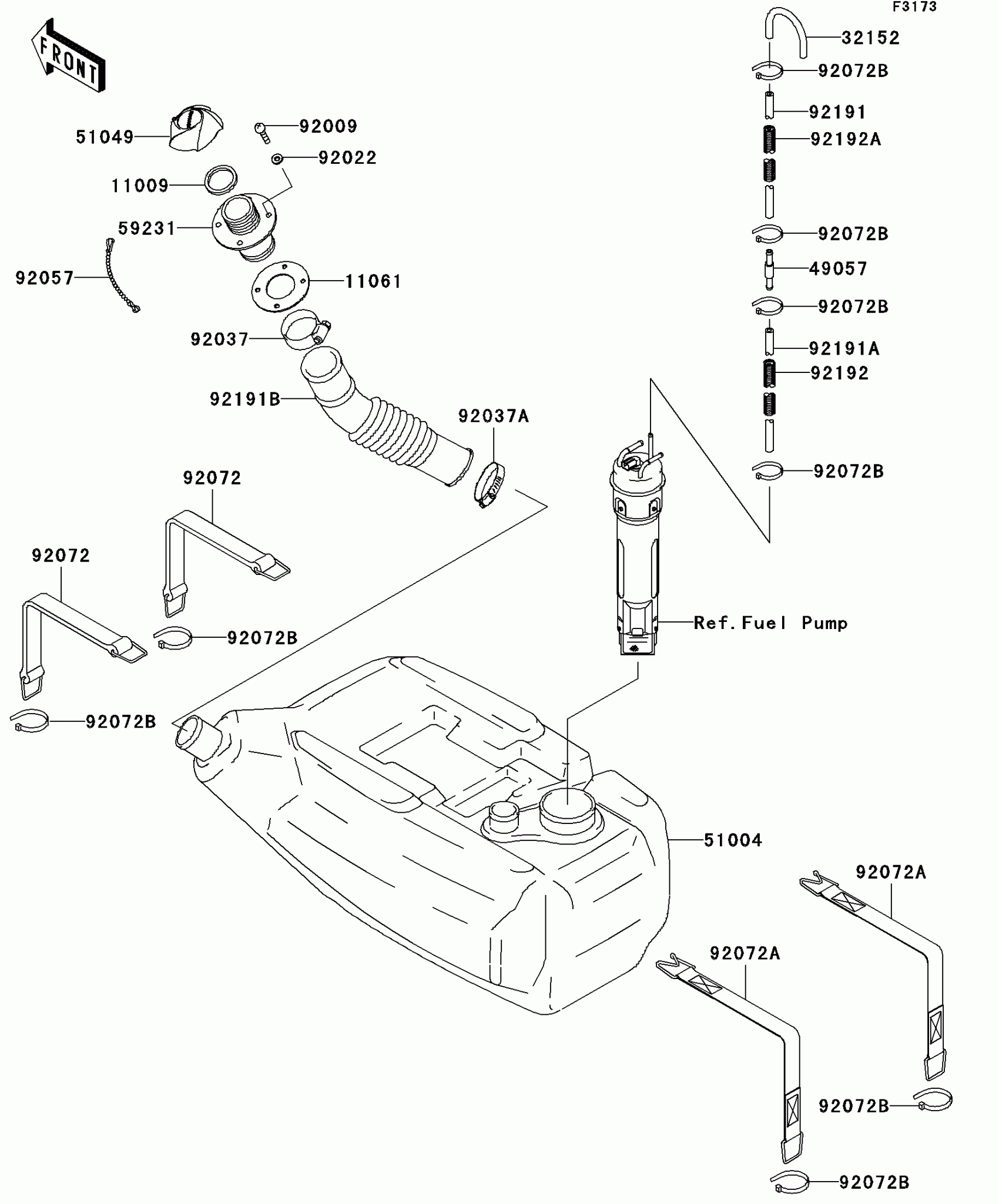
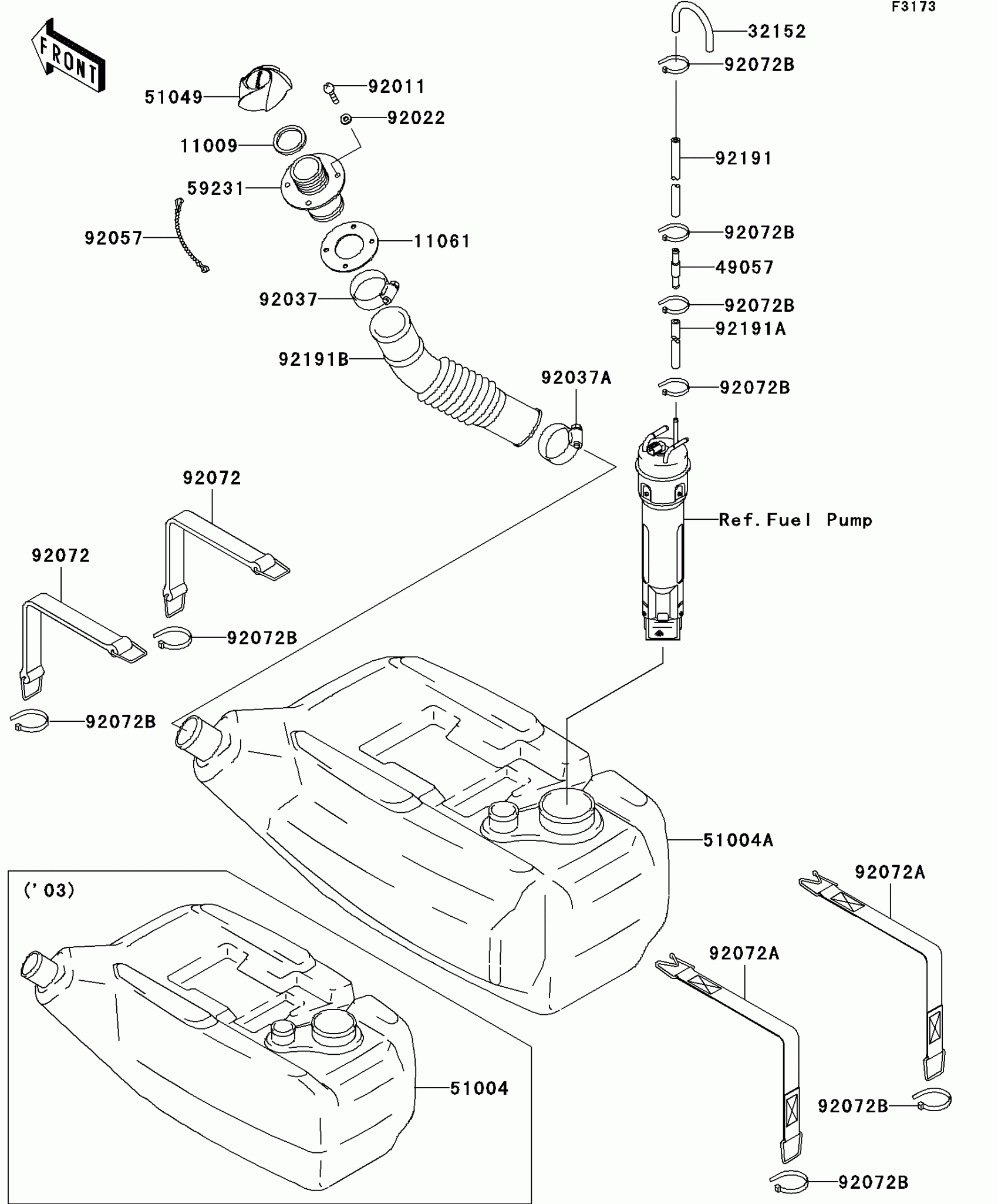
Kawasaki STX-12F Fuel Tank Diagram
#
Description
Price
51004
TANK-FUEL
51004-3731
Unavailable
51049
CAP-TANK,FUEL
51049-3725
Unavailable
59231
FILLER,FUEL TANK
59231-3716
Unavailable
92191
TUBE,5.8X10.8X1000
92191-3736
Unavailable
92191A
TUBE,5.8X10.8X100
92191-3828
Unavailable
