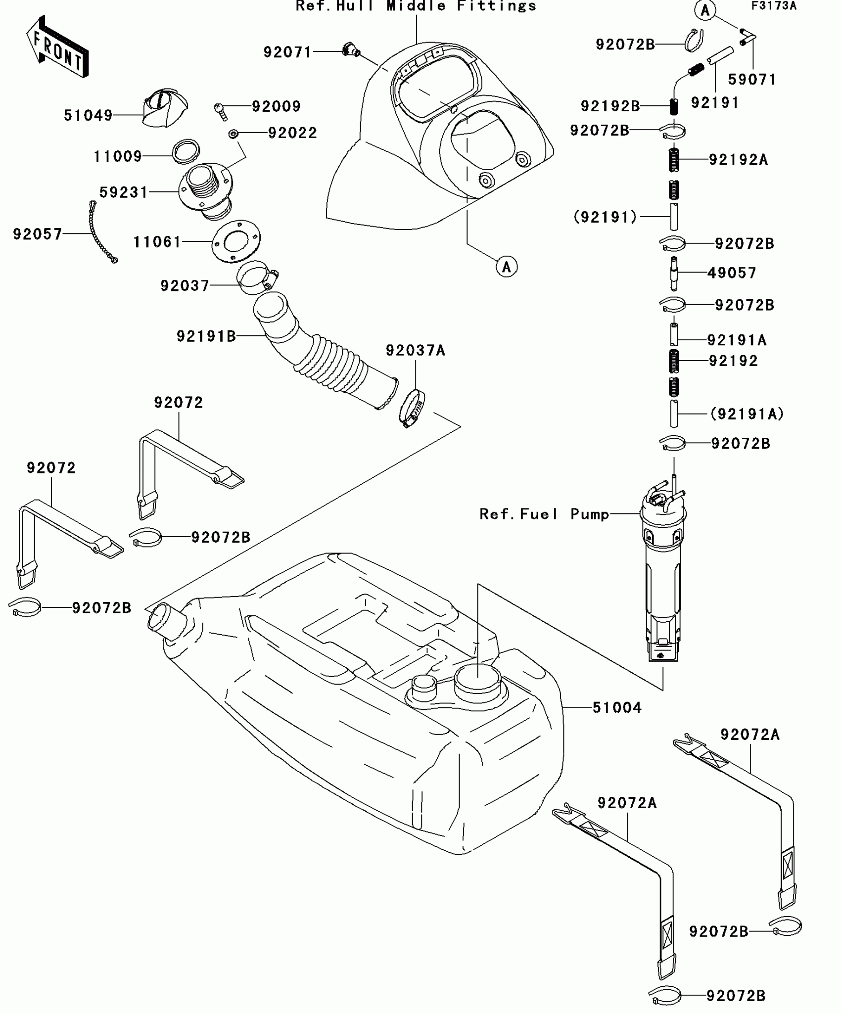
Kawasaki STX-12F Fuel Tank(D7F) Diagram
#
Description
Price
51049
CAP-TANK,FUEL
51049-3725
Unavailable
59231
FILLER,FUEL TANK
59231-3716
Unavailable
92191
TUBE,5.8X10.8X1000
92191-3736
Unavailable
92191A
TUBE,5.8X10.8X100
92191-3828
Unavailable
92192A
TUBE,CORRUGATED,L=700
92192-3750
Unavailable
