- Partiron
- OEM Parts
- Polaris
- Motorcycle
- VIC
- 1999
- STANDARD CRUISER - V99CB15DBZ
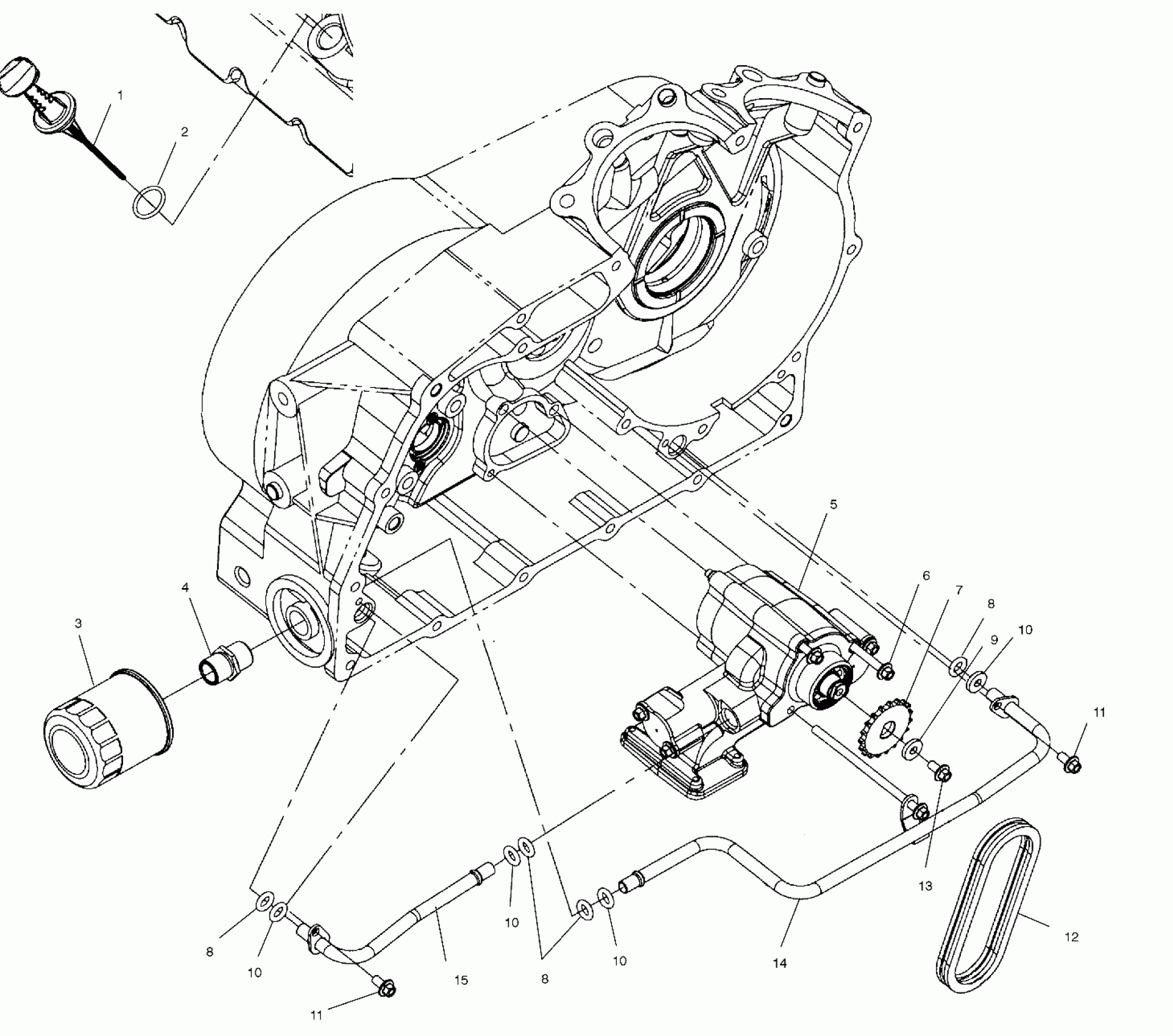
ENGINE, OIL PUMP MOUNTING - V99CB15LCZ (4952535253C009)
Polaris STANDARD CRUISER - V99CB15DBZ ENGINE, OIL PUMP MOUNTING - V99CB15LCZ (4952535253C009) Diagram
#
Description
Price
3
FILTER, OIL(10)
3084963
Unavailable
4
NIPPLE,OIL FILTER
2540023
Unavailable
5
Asm., Oil Pump (See Footnote) (See Oil Pump Pg. C10 for Details)
-------
Unavailable
6
SCREW,HXFLHD,M6X115
7517256
Unavailable
8
O-RING
5411231
Unavailable
8
O-RING
5411231
Unavailable
8
O-RING
5411231
Unavailable
12
CHAIN,OILPUMPDRIVE,8X42 LINK
3224062
Unavailable
