- Partiron
- OEM Parts
- Polaris
- Motorcycle
- VIC
- 1999
- STANDARD CRUISER - V99CB15DBZ
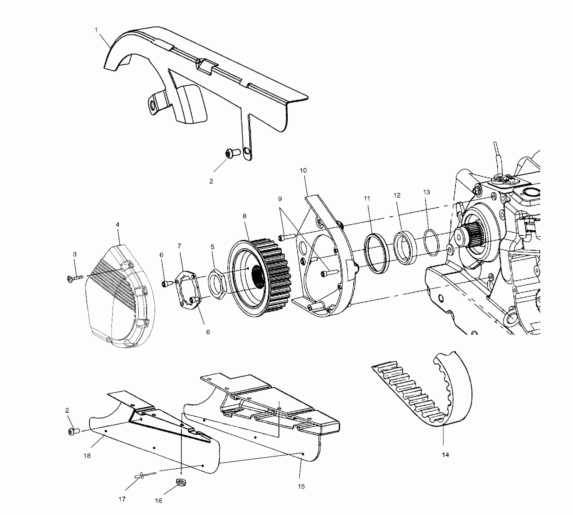
DRIVE TRAIN, FRONT DRIVE SPROCKET - V99CB15LCZ (4952535253B014)
Polaris STANDARD CRUISER - V99CB15DBZ DRIVE TRAIN, FRONT DRIVE SPROCKET - V99CB15LCZ (4952535253B014) Diagram
#
Description
Price
1
GUARD,UPPER BELT Substituted by 1013117
1080010
Unavailable
4
COVER,SPKT,OUTER,MACH Substituted by 5132172
5131486
Unavailable
5
NUT,HEX Substituted by 7547165
7547020
Unavailable
8
SPROCKET,DRIVE,30T
5131859
Unavailable
16
NUT Substituted by 7547120
7547041
Unavailable
17
RIVET
7621478
Unavailable
18
CVR,BELTGUARD,LWR Substituted by 5241892
5243654
Unavailable
