- Partiron
- OEM Parts
- Polaris
- Motorcycle
- VIC
- 2000
- STANDARD CRUISER - V00CB15DC
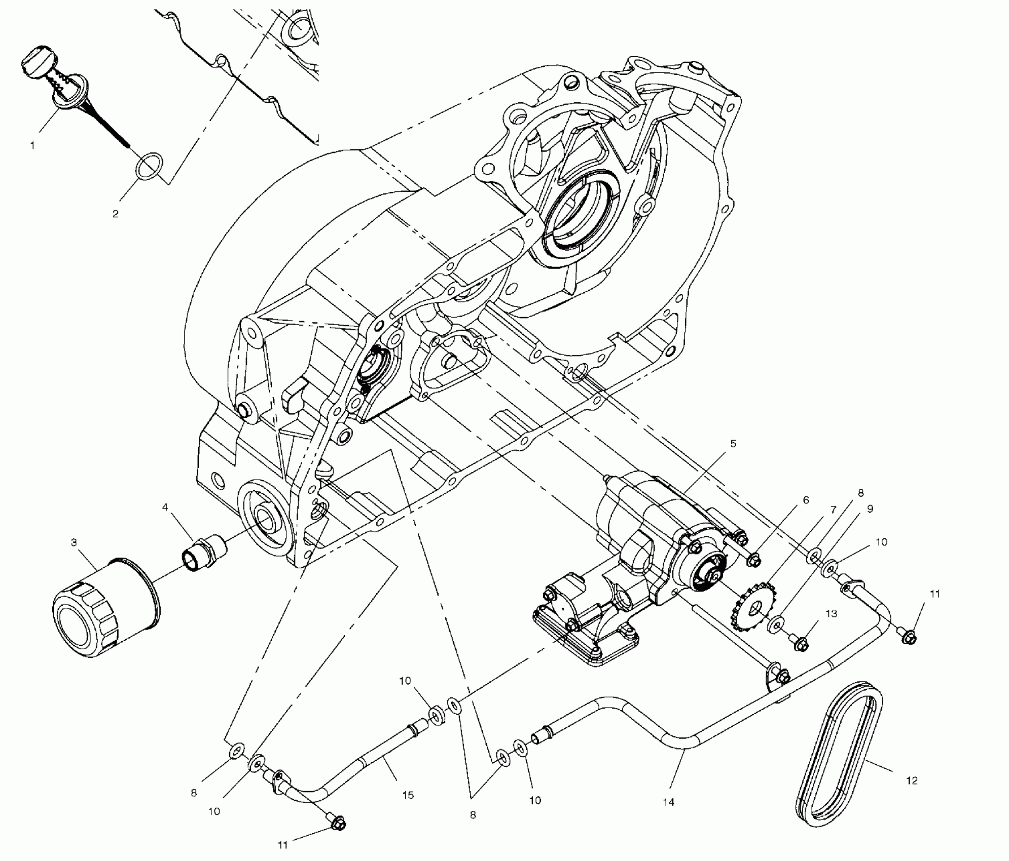
ENGINE, OIL PUMP MOUNTING - V00CB15LE (4952565256C010)
Polaris STANDARD CRUISER - V00CB15DC ENGINE, OIL PUMP MOUNTING - V00CB15LE (4952565256C010) Diagram
#
Description
Price
3
FILTER, OIL(10)
3084963
Unavailable
4
NIPPLE,OIL FILTER
2540023
Unavailable
5
Asm., Oil Pump (See Footnote) (See Oil Pump Pg. C11 for Details)
-------
Unavailable
6
SCREW,HXFLHD,M6X115
7517256
Unavailable
8
O-RING
5411231
Unavailable
8
O-RING
5411231
Unavailable
8
O-RING
5411231
Unavailable
12
CHAIN,OILPUMPDRIVE,8X42 LINK
3224062
Unavailable
