- Partiron
- OEM Parts
- Honda
- MOTORCYCLE
- Models With No Year
- ST90A MOTORCYCLE, JPN, VIN# ST90-1000002
CYLINDER + CYLINDER HEAD
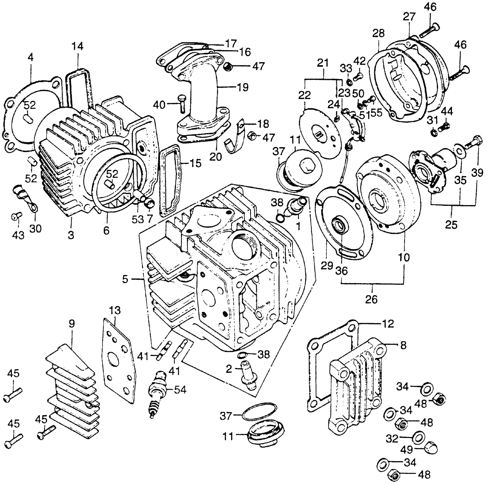
Honda ST90A MOTORCYCLE, JPN, VIN# ST90-1000002 CYLINDER + CYLINDER HEAD Diagram
#
1
GUIDE, VALVE (NOT AVAILABLE)
12021-128-300
Unavailable
2
GUIDE, IN./EX. VALVE | Use from Engine SN 1019569 This part replaces 12023-028-330.
12021-128-405
$17.91
2
GUIDE, IN./EX. VALVE | Use from Engine SN 1019569 This part replaces 12023-028-340.
12021-128-405
$17.91
2
GUIDE, IN./EX. VALVE | Use from Engine SN 1019569 This part replaces 12023-943-000.
12021-128-405
$17.91
2
GUIDE, IN./EX. VALVE | Use from Engine SN 1019569 This part replaces 12232-028-790.
12021-128-405
$17.91
3
CYLINDER (NOT AVAILABLE) | Use up to Engine SN 1019568 This part replaces 12100-028-680.
12100-028-682
Unavailable
3
CYLINDER (NOT AVAILABLE) | Use up to Engine SN 1019568
12100-028-682
Unavailable
3
CYLINDER (NOT AVAILABLE) | Use from Engine SN 1019569
12100-028-780
Unavailable
5
CYLINDER HEAD (NOT AVAILABLE) | Use up to Engine SN 1019568
12200-128-000
Unavailable
5
CYLINDER HEAD (NOT AVAILABLE) | Use from Engine SN 1019569
12200-128-010
Unavailable
6
GASKET, CYLINDER HEAD | Use up to Engine SN 1019568
12251-028-030
Unavailable
6
GASKET, CYLINDER HEAD | Use from Engine SN 1019569
12251-028-790
Unavailable
8
COVER, CYLINDER HEAD (NOT AVAILABLE)
12301-028-010
Unavailable
9
COVER, VALVE ROCKER ARM SIDE This part replaces 12331-028-000.
12331-028-020
Unavailable
9
COVER, VALVE ROCKER ARM SIDE This part replaces 12331-028-010.
12331-028-020
Unavailable
9
COVER, VALVE ROCKER ARM SIDE
12331-028-020
Unavailable
9
COVER, VALVE ROCKER ARM SIDE This part replaces 12331-128-000.
12331-028-020
Unavailable
10
BASE, POINTS (NOT AVAILABLE) This part replaces 12332-028-030.
12332-028-040
Unavailable
17
INSULATOR, CARB This part replaces 16211-077-010.
16211-077-306
Unavailable
18
CLAMP, FUEL TUBE (NOT AVAILABLE)
16236-128-000
Unavailable
19
PIPE, INLET (NOT AVAILABLE)
17111-128-000
Unavailable
21
POINTS ASSY. (TOYO)
30200-107-154
Unavailable
22
PLATE, POINTS BASE (DENSO)
30201-107-004
Unavailable
22
PLATE, POINTS BASE (TOYO)
30201-107-154
Unavailable
24
FELT, OIL (KOKUSAN) (NOT AVAILABLE)
30205-028-003
Unavailable
24
FELT, OIL (KOKUSAN) (NOT AVAILABLE) This part replaces 30205-028-004.
30205-028-003
Unavailable
24
FELT, OIL (TOYO)
30205-300-154
Unavailable
25
ADVANCER ASSY., SPARK (TOYO) (NOT AVAILABLE) This part replaces 30220-053-003.
30220-053-154
Unavailable
25
ADVANCER ASSY., SPARK (DENSO)
30220-053-004
Unavailable
25
ADVANCER ASSY., SPARK (TOYO) (NOT AVAILABLE)
30220-053-154
Unavailable
26
BASE ASSY., POINTS This part replaces 30360-028-020.
30360-028-030
Unavailable
26
BASE ASSY., POINTS
30360-028-030
Unavailable
27
COVER, POINTS
30370-028-000
Unavailable
27
COVER, POINTS This part replaces 30370-128-000.
30370-028-000
Unavailable
29
GASKET, POINTS BASE This part replaces 30392-028-020.
30392-028-306
Unavailable
29
GASKET, POINTS BASE
30392-028-306
Unavailable
30
CLIP A, COIL WIRE (NOT AVAILABLE)
32907-128-000
Unavailable
