- Partiron
- OEM Parts
- Honda
- MOTORCYCLE
- 2001
- ST1100A (01) MOTORCYCLE, JPN, VIN# JH2SC260-1M100001
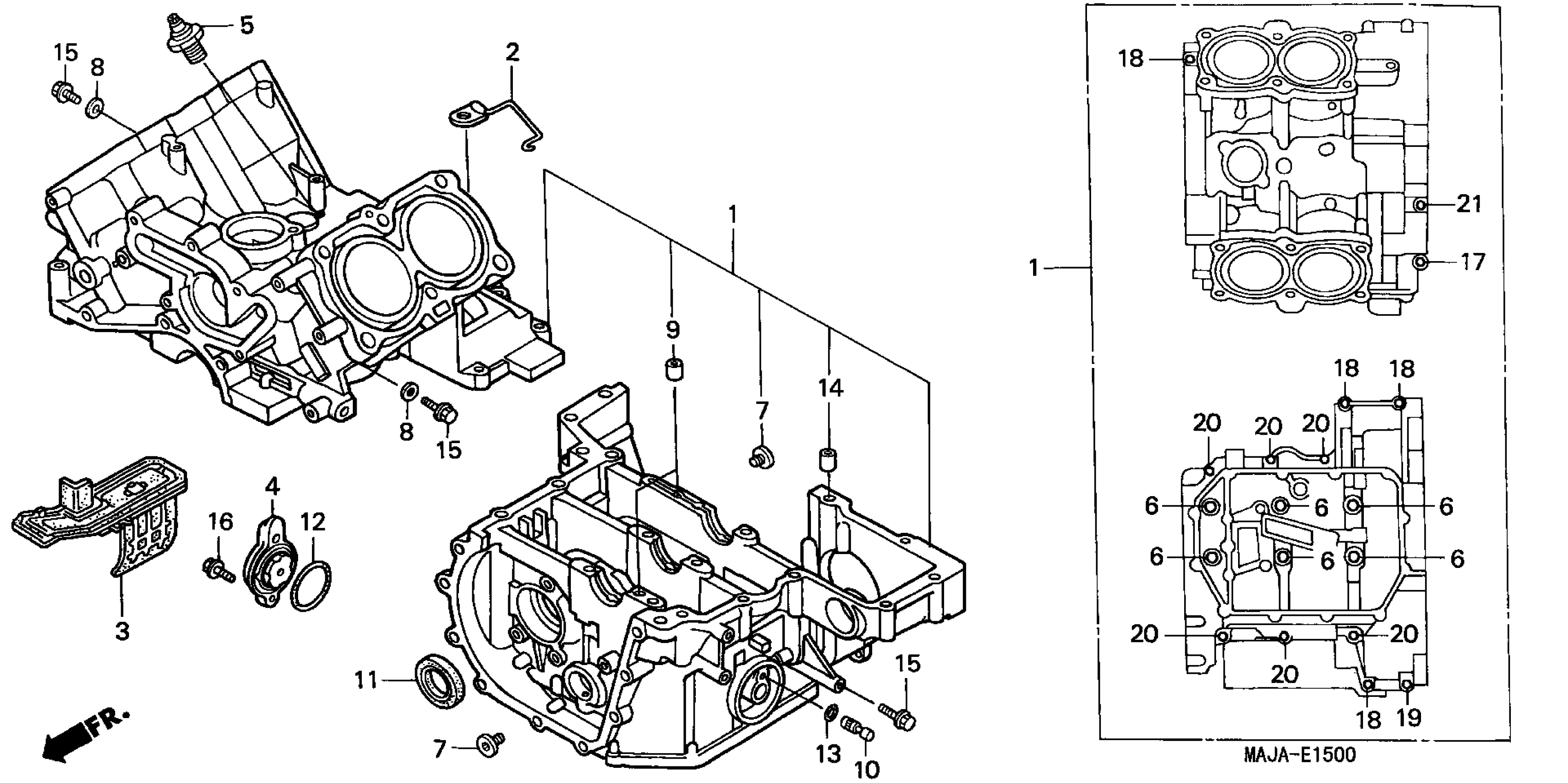
CRANKCASE
Honda ST1100A (01) MOTORCYCLE, JPN, VIN# JH2SC260-1M100001 CRANKCASE Diagram
#
Description
Price
1
CRANKCASE SET
11000-MAJ-G20
Unavailable
2
CLAMP, TUBE
11120-MT3-000
Unavailable
3
PLATE, OIL SEPARATE
11140-MY3-000
Unavailable
4
FINDER, OIL LEVEL
15660-MT3-000
Unavailable
13
O-RING (4.8X1.9) (NOK) O-RING (7.7X2.3) (ARAI) This part replaces 91313-MA6-003.
91313-MA6-005
$2.61
