- Partiron
- OEM Parts
- Yamaha
- snowmobile
- 1985
- SS440J (SS440) 1985
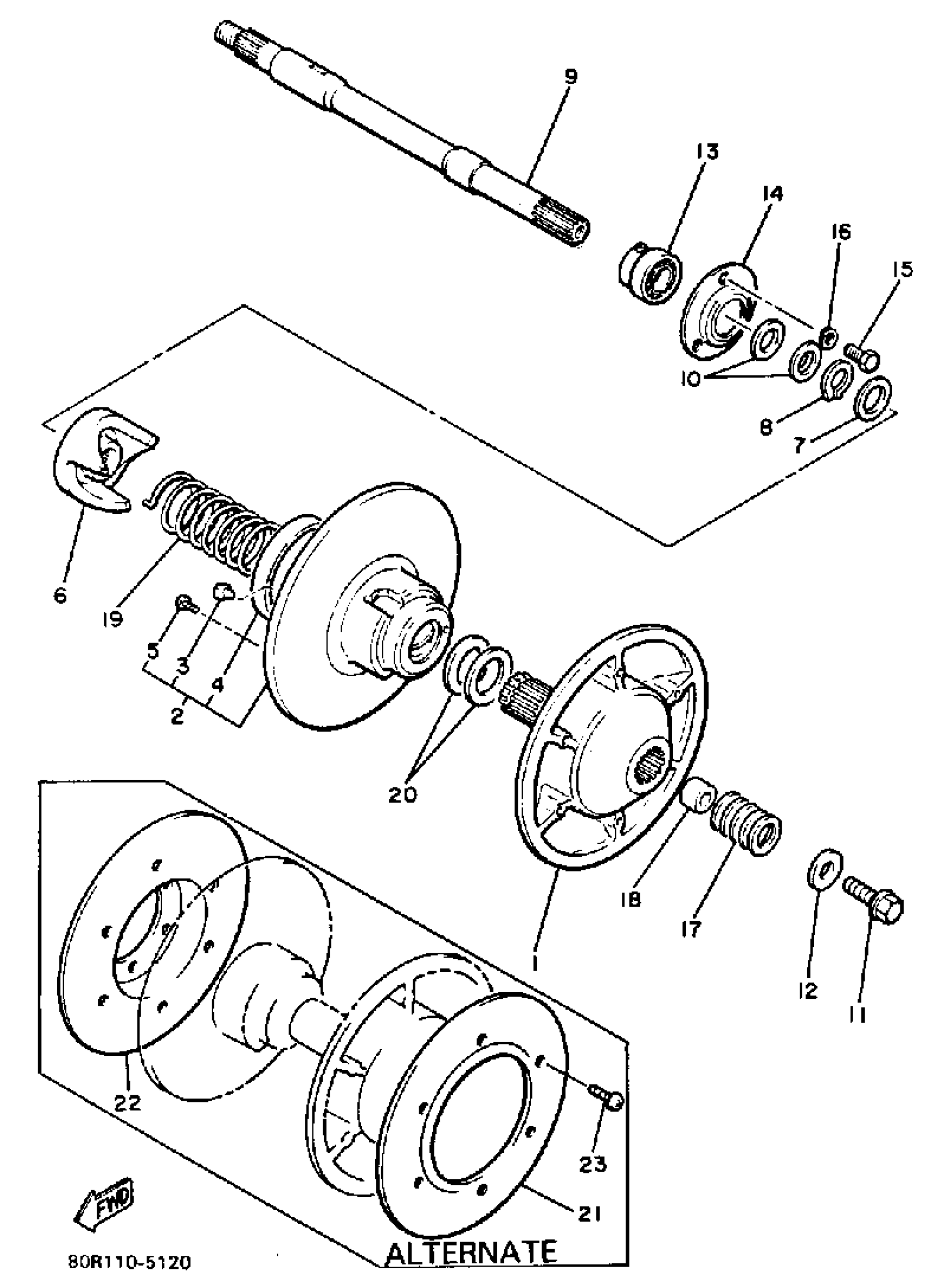
SECONDARY SHEAVE
Yamaha SS440J (SS440) 1985 SECONDARY SHEAVE Diagram
#
Description
Price
1
SECONDARY FIXED SHEAVE COMP.
89N-17660-00-00
Unavailable
2
SEC.SLIDING SHEAVE
80R-17670-01-00
Unavailable
4
. BUSH, BIMETAL FORM
90384-34058-00
Unavailable
6
SEAT, SECONDARY SPRING
8V0-17684-00-00
Unavailable
7
WASHER, PLATE
90201-34684-00
Unavailable
9
SHAFT, SECONDARY
82M-17681-00-00
Unavailable
11
BOLT, WASHER BASED
90105-14175-00
Unavailable
12
WASHER, PLATE
90201-140A6-00
Unavailable
13
BEARING
888-17678-00-00
Unavailable
14
HOUSING, BEARING
8K4-47631-01-00
Unavailable
15
BOLT, HEXAGON
97017-08016-00
Unavailable
16
WASHER(JN5)
92907-08100-00
Unavailable
17
WASHER, PLATE (T=0.5)
90201-222F0-00
Unavailable
17
WASHER, PLATE (8L8)
90201-225A4-00
Unavailable
18
COLLAR
90387-147A8-00
Unavailable
19
SPRING, TORSION (8U7)
90508-50571-00
Unavailable
20
WASHER, PLATE (8U9)
90201-345G2-00
Unavailable
21
PLATE 1
81H-17665-01-00
Unavailable
22
PLATE 2
81H-17675-01-00
Unavailable
23
GASKET, EXHAUST
98507-05008-00
Unavailable
