- Partiron
- OEM Parts
- Yamaha
- snowmobile
- 1984
- SS440H (SS440) 1984
ELECTRICAL 2
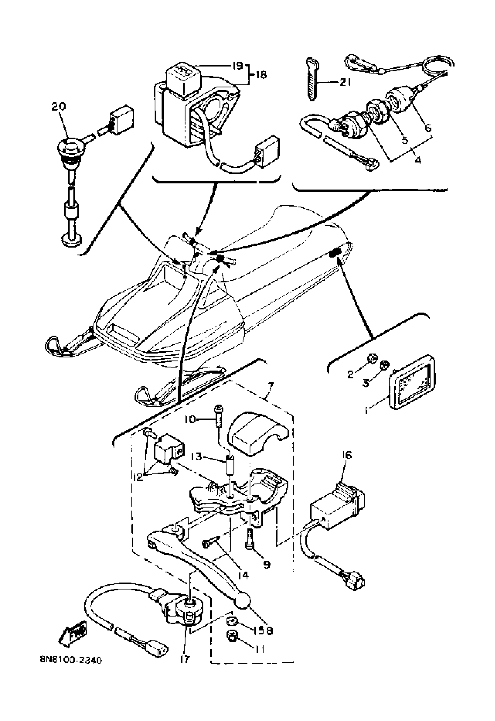
Yamaha SS440H (SS440) 1984 ELECTRICAL 2 Diagram
#
Description
Price
1
REFLECTOR, REAR 1
8J7-85131-00-00
Unavailable
2
NUT, HEXAGON
95380-06600-00
Unavailable
3
WASHER, SPRING
92995-06100-00
Unavailable
9
SCREW, PAN HEAD(41N)
90157-05057-00
Unavailable
12
. LEVER LOCK ASSEMBLY (8K4-83930-00-00)
82A-83930-00-00
Unavailable
13
COLLAR, LEVER
802-83913-00-00
Unavailable
14
. SCREW, TAPPING
97780-30312-00
Unavailable
15
. WASHER, PLAIN
92990-05200-00
Unavailable
16
BEAM SWITCH ASSY
8H8-83950-01-00
Unavailable
17
STOP SWITCH ASSY
88R-82530-00-00
Unavailable
18
SWITCH, HANDLE 1
8L8-83976-00-00
Unavailable
19
CAP 1
8E3-83956-01-00
Unavailable
20
OIL LEVEL GAUGE ASSY
4HV-85720-03-00
Unavailable
21
BAND, SWITCH CORD
437-83936-01-00
Unavailable
