- Partiron
- OEM Parts
- Yamaha
- snowmobile
- 1984
- SS440H (SS440) 1984
C - D - I - MAGNETO
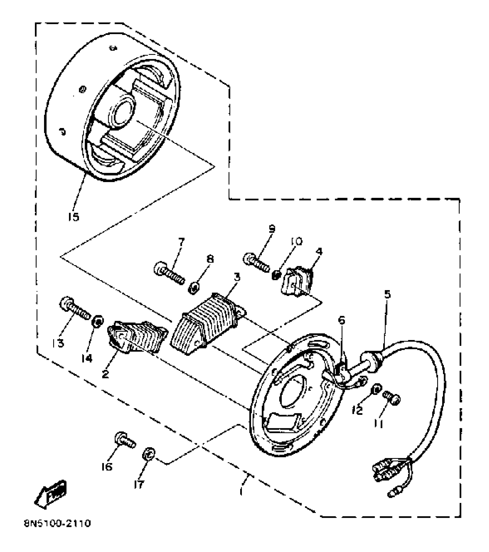
Yamaha SS440H (SS440) 1984 C - D - I - MAGNETO Diagram
#
Description
Price
1
CDI MAGNETO ASSEMBLY
8V8-85500-20-00
Unavailable
2
. COIL, SOURCE (8T0-85511-20)
86M-85511-00-00
Unavailable
3
. COIL, LIGHTING 1
8G8-85513-20-00
Unavailable
4
. COIL, PULSER (8N5-85580-20)
82M-85580-20-00
Unavailable
5
. LEAD WIRE ASSEMBLY (8V0-85515-20)
8W0-85515-20-00
Unavailable
6
CLAMP, READ
445-81328-20-00
Unavailable
15
. ROTOR ASSEMBLY (8K1-85550-20)
8J9-85550-20-00
Unavailable
16
SCREW, BIND(J39)
98980-06014-00
Unavailable
17
WASHER, PLATE 6261117600
90201-06043-00
Unavailable
