Partiron

Yamaha SS440H (SS440) 1984 BRAKE Diagram

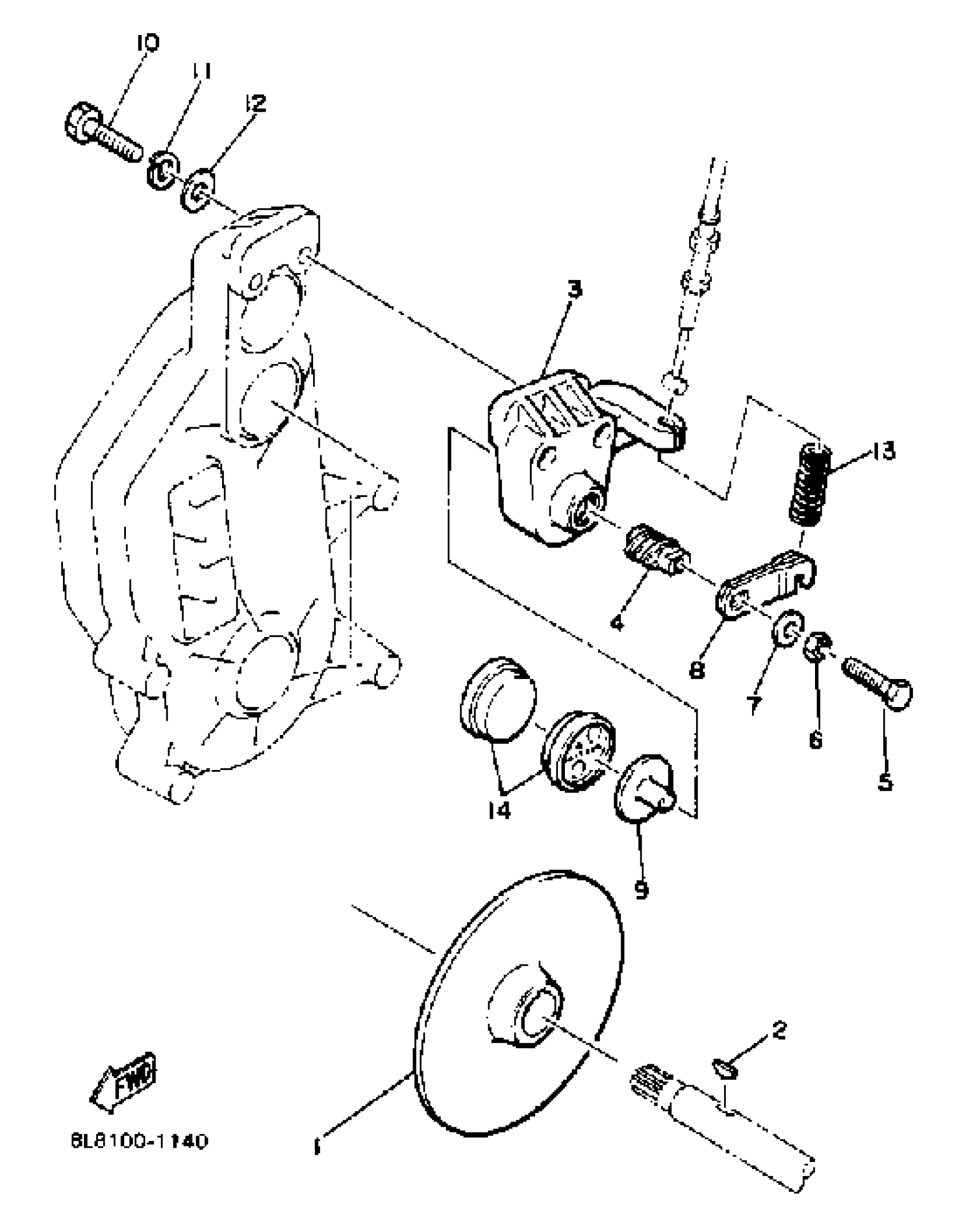
#

Description
Price

1

DISC,BRAKE

8L8-25831-01-00

Unavailable

2

KEY

8J7-25848-00-00

$15.99

3

BODY, CALIPER 1

8K4-25731-00-00

Unavailable

4

CAM

878-25728-00-00

Unavailable

5

BOLT (8K4)

90101-08499-00

Unavailable

6

. NUT

95380-08700-00

Unavailable

7

.. WASHER, PLATE

92990-08600-00

Unavailable

8

LEVER, BRAKE

878-25726-00-00

Unavailable

9

PLATE, BACK UP

878-25733-00-00

Unavailable

10

BOLT, HEXAGON

97013-10055-00

Unavailable

11

YBS67-10 WASHER, SPRING

92990-10100-00

$7.49

12

WASHER, PLATE

92990-10600-00

Unavailable

13

SPRING, COMPRESSION

90501-23337-00

Unavailable

14

PAD, CALIPER 2

89J-25811-00-00

$27.99