- Partiron
- OEM Parts
- Yamaha
- snowmobile
- 1980
- SS440D 1980
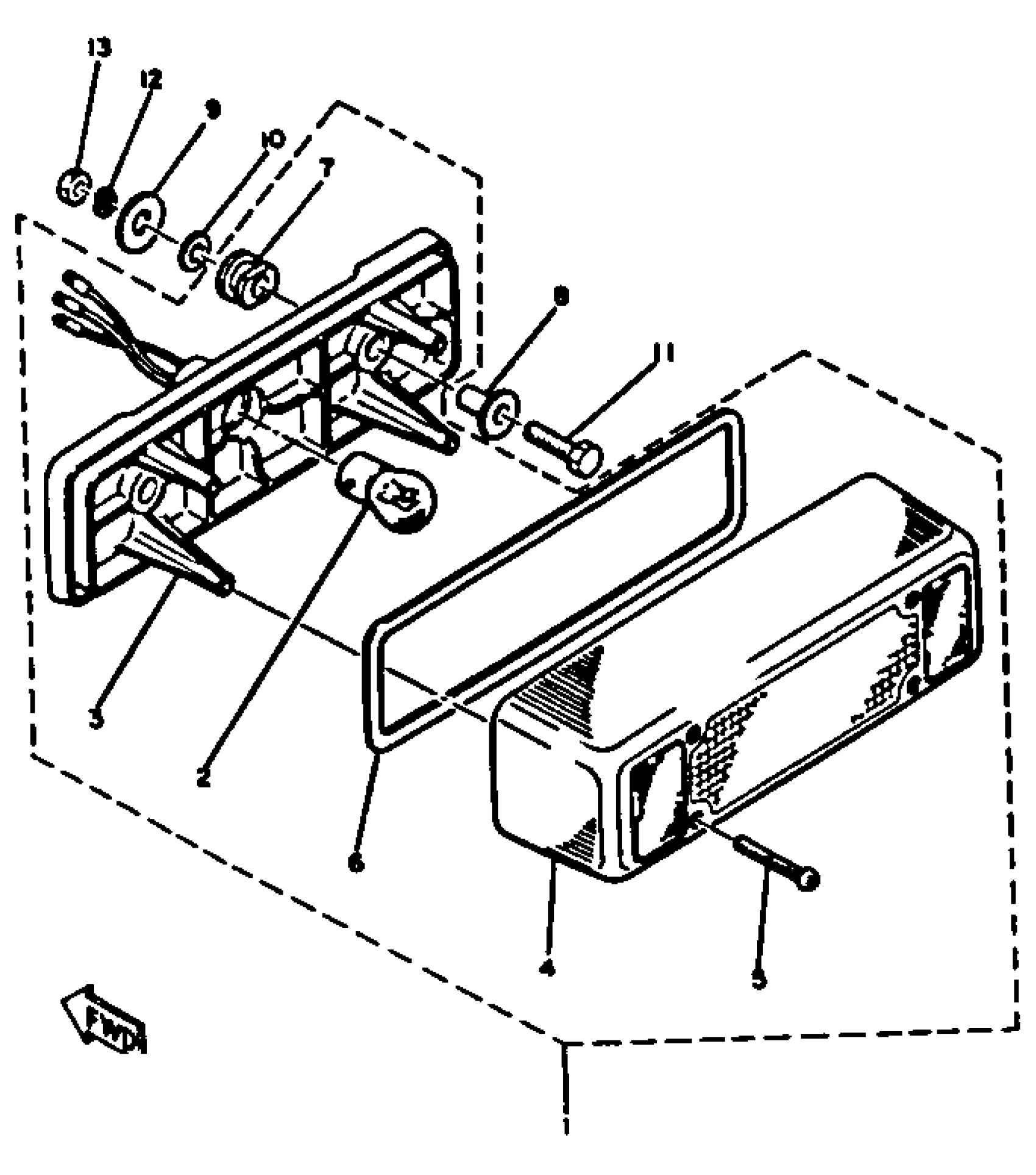
TAILLIGHT
Yamaha SS440D 1980 TAILLIGHT Diagram
#
Description
Price
2
BULB(12V32/3CP)1157
137-84714-61-XX
Unavailable
6
SEAL
3TJ-14457-00-00
Unavailable
12
WASHER, SPRING
92995-06100-00
Unavailable
13
NUT, HEXAGON
95380-06600-00
Unavailable
