- Partiron
- OEM Parts
- Yamaha
- snowmobile
- 1980
- SS440D 1980
SECONDARY SHEAVE
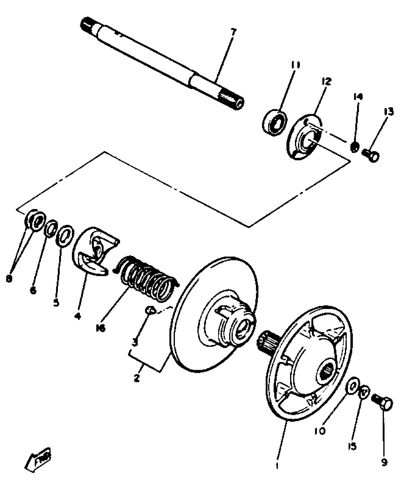
Yamaha SS440D 1980 SECONDARY SHEAVE Diagram
#
Description
Price
1
SEC FXD SHV
8K4-17660-00-00
Unavailable
2
SEC SLIDING SHEAVE
8V8-17670-10-00
Unavailable
3
. SHOE, lamp
8X0-17688-00-00
Unavailable
4
SEAT, SEC SPRING
8K4-17684-00-00
Unavailable
5
WASHER, PLATE
90201-34684-00
Unavailable
7
SHAFT, SECONDARY
(8K4-17681-00-00)
Unavailable
9
BOLT
90101-14468-00
Unavailable
10
WASHER, PLATE
90201-140A6-00
Unavailable
11
BEARING
93306-20537-00
Unavailable
12
HOUSING, BEARING
8K4-47631-01-00
Unavailable
15
WASHER(6TC)
92907-14100-00
Unavailable
16
SPRING, TORSION
90508-45286-00
Unavailable
