- Partiron
- OEM Parts
- Yamaha
- snowmobile
- 1980
- SS440D 1980
ELECTRICAL 2
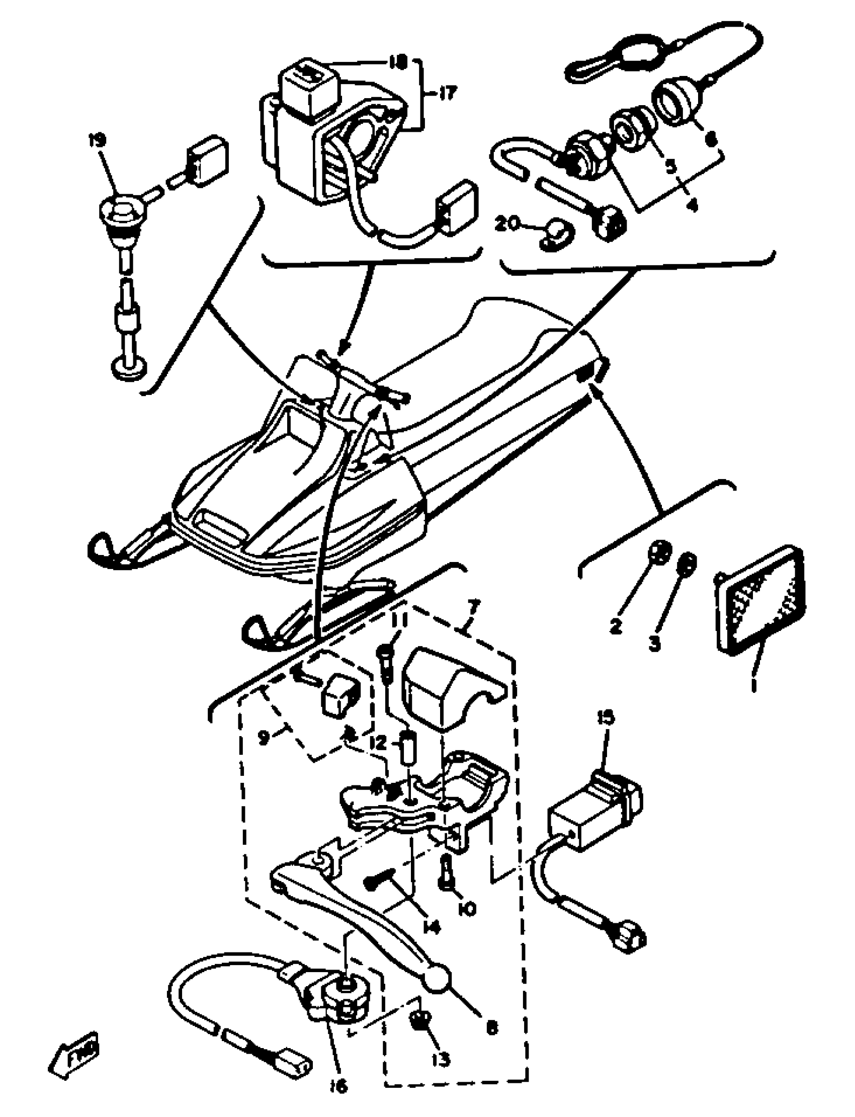
Yamaha SS440D 1980 ELECTRICAL 2 Diagram
#
Description
Price
1
REFLECTOR, REAR 1
8J7-85131-00-00
Unavailable
2
NUT, HEXAGON
95380-06600-00
Unavailable
3
WASHER, SPRING
92995-06100-00
Unavailable
7
LEVER HOLDER ASSEMBLY L
(8K4-W8291-02-00)
Unavailable
9
. LEVER LOCK ASS''Y
[8H-88393-00-00
Unavailable
10
SCREW, PAN HEAD
98580-05020-00
Unavailable
12
COLLAR, LEVER
802-83913-00-00
Unavailable
14
. SCREW, TAPPING
97780-30312-00
Unavailable
16
STOP SWITCH ASSY
88R-82530-00-00
Unavailable
17
SWITCH, HANDLE 1
(8K4-83976-01-00)
Unavailable
18
CAP 1
8E3-83956-01-00
Unavailable
19
OIL LEVEL GAUGE ASSY
4HV-85720-03-00
Unavailable
20
CLAMP
90465-08028-00
Unavailable
