- Partiron
- OEM Parts
- Yamaha
- snowmobile
- 1971
- SS433 1971
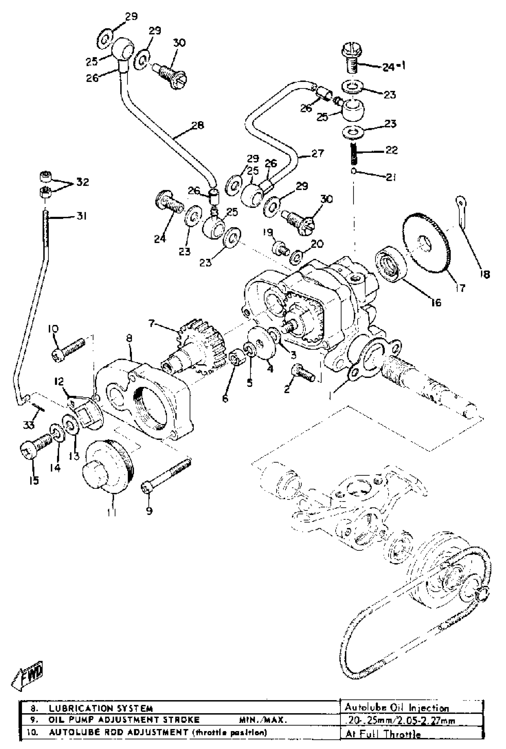
OIL PUMP
Yamaha SS433 1971 OIL PUMP Diagram
#
1
OIL PUMP ASSEMBLY
809-13101-00-00
Unavailable
1
BOLT, UNION 001
(90401-06002-00)
Unavailable
2
SCREW, PAN HEAD(6B0)
97885-05016-00
Unavailable
4
PLATE, ADJUSTING
137-13138-01-00
Unavailable
7
GEAR, PUMP CONTROL
(807-13154-00-00)
Unavailable
8
COVER, AJST PULLEY
(807-13146-00-00)
Unavailable
11
CAP, PUMP CASE
(807-13143-00-00)
Unavailable
12
LEVER, PUMP CONTROL
(807-13156-00-00)
Unavailable
13
YBS66-6 WASHER, PLAIN
92990-06200-00
Unavailable
14
WASHER, SPRING
92995-06100-00
Unavailable
15
SCREW, PAN
98507-06014-00
Unavailable
16
OIL SEAL (J10)
93101-10090-00
Unavailable
17
PLATE, STARTER
(137-13128-00-00)
Unavailable
18
. PIN, COTTER
91401-12018-00
Unavailable
19
SCREW, BIND
98980-04008-00
Unavailable
20
GASKET 137131870000
90430-04004-00
Unavailable
21
BALL
93505-32002-00
Unavailable
22
SPRING, COMPRESSION
(90501-02017-00)
Unavailable
23
GASKET(3FP)
90430-06224-00
Unavailable
24
BOLT UNION 137131650000
90401-06001-00
Unavailable
25
BANJO, DELIVERY PIPE
214-13162-01-00
Unavailable
26
CLIP (214-13164-00)
90468-02033-00
Unavailable
27
. HOSE (3-90) (807-13161-01)
90445-05020-00
Unavailable
28
HOSE (L200)
90445-05N13-00
Unavailable
29
GASKET(3FP)
90430-06224-00
Unavailable
30
BOLT, UNION
90401-06011-00
Unavailable
31
ROD, PUMP CONTROL
(813-13157-00-00)
Unavailable
32
NUT, HEXAGON (807-13139-00)
90170-03008-00
Unavailable
33
. PIN, COTTER
91490-12012-00
Unavailable
