- Partiron
- OEM Parts
- Honda
- MOTORCYCLE
- Models With No Year
- SS125AA MOTORCYCLE, JPN, VIN# SS125A-100001
STAND + STEP
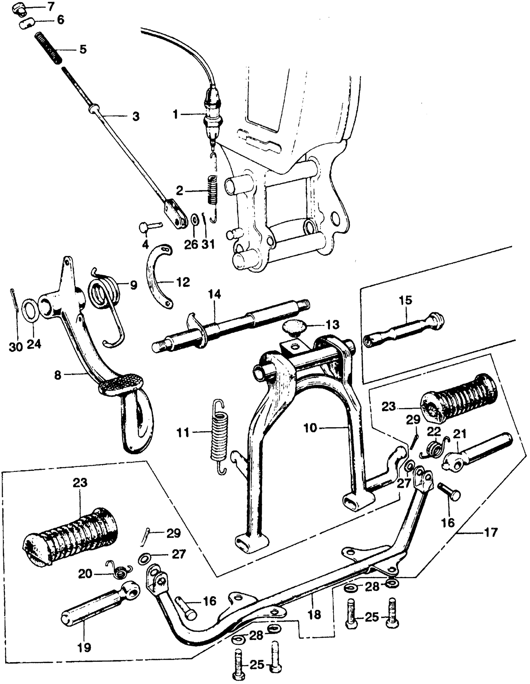
Honda SS125AA MOTORCYCLE, JPN, VIN# SS125A-100001 STAND + STEP Diagram
#
Description
Price
2
SPRING, STOP SWITCH (NOT AVAILABLE)
35357-230-000
Unavailable
3
ROD, RR. BRAKE (NOT AVAILABLE) This part replaces 43451-230-000.
43451-235-000
Unavailable
3
ROD, RR. BRAKE (NOT AVAILABLE)
43451-235-000
Unavailable
4
PIN A, BRAKE ROD JOINT This part replaces 43472-250-000.
95015-51000
Unavailable
4
PIN A, BRAKE ROD JOINT
95015-51000
Unavailable
8
PEDAL, BRAKE
46500-230-020
Unavailable
9
SPRING, BRAKE PEDAL (NOT AVAILABLE)
46514-230-000
Unavailable
10
STAND, MAIN *NH1* (BLACK) (NOT AVAILABLE)
50500-243-000B
Unavailable
12
HOOK, MAIN STAND SPRING (NOT AVAILABLE)
50523-205-000
Unavailable
14
SHAFT, MAIN STAND PIVOT
50526-230-000
Unavailable
17
STEP ASSY. *NH1* (BLACK) (NOT AVAILABLE)
50600-244-670B
Unavailable
19
ARM, R. STEP *NH1* (BLACK)
50616-283-020B
Unavailable
20
SPRING, R. FOOTPEG RETURN (NOT AVAILABLE)
50617-283-000
Unavailable
21
ARM, L. STEP *NH1* (BLACK)
50642-283-020B
Unavailable
22
SPRING, L. STEP RETURN (NOT AVAILABLE)
50644-283-000
Unavailable
24
WASHER (19MM) (NOT AVAILABLE)
90512-283-000
Unavailable
