- Partiron
- OEM Parts
- Honda
- MOTORCYCLE
- Models With No Year
- SS125AA MOTORCYCLE, JPN, VIN# SS125A-100001
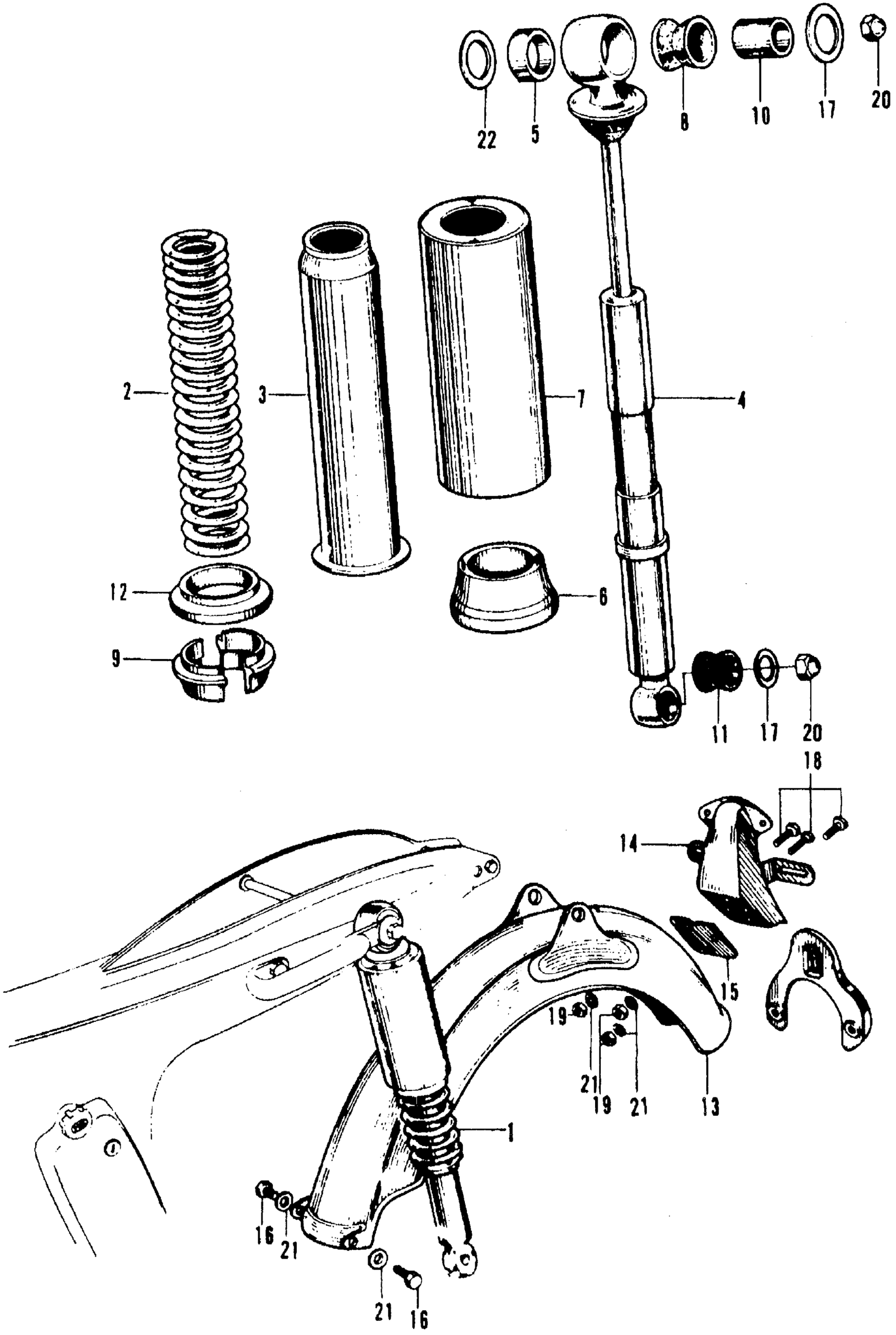
REAR SHOCK ABSORBER
Honda SS125AA MOTORCYCLE, JPN, VIN# SS125A-100001 REAR SHOCK ABSORBER Diagram
#
Description
Price
1
SHOCK ABSORBER ASSY., RR. *R3C* (CANDY RED) (NOT AVAILABLE)
52400-243-000XJ
Unavailable
1
SHOCK ABSORBER ASSY., RR. *PB1C* (CANDY BLUE) (NOT AVAILABLE)
52400-243-000XK
Unavailable
1
SHOCK ABSORBER ASSY., RR. *NH1* (BLACK)
52400-243-000B
Unavailable
2
SPRING, RR. SHOCK ABSORBER (NOT AVAILABLE)
52401-243-000
Unavailable
3
GUIDE, RR. SHOCK ABSORBER SPRING (NOT AVAILABLE)
52409-243-000
Unavailable
4
METAL, RR. SHOCK ABSORBER (UPPER) (NOT AVAILABLE) | Use from Frame SN 108062
52410-230-050
Unavailable
4
METAL, RR. SHOCK ABSORBER (UPPER) (NOT AVAILABLE)
52410-230-040
Unavailable
5
COLLAR, RR. SHOCK ABSORBER SETTING (NOT AVAILABLE)
52455-230-010
Unavailable
6
COLLAR, RR. SHOCK ABSORBER SPRING | Use from Frame SN 108062
52459-243-010
Unavailable
6
COLLAR, RR. SHOCK ABSORBER SPRING (NOT AVAILABLE)
52459-243-000
Unavailable
7
CASE, RR. SHOCK ABSORBER (UPPER)
52460-243-000Z
Unavailable
7
CASE, RR. SHOCK ABSORBER (UPPER)
52460-243-010Z
Unavailable
8
BUSH, RR. RUBBER SHOCK ABSORBER (UPPER) (NOT AVAILABLE)
52485-230-000
Unavailable
9
SEAT, RR. SHOCK ABSORBER SPRING (NOT AVAILABLE)
52486-230-010
Unavailable
10
COLLAR, RR. RUBBER SHOCK ABSORBER BUSH (UPPER) (NOT AVAILABLE)
52488-230-000
Unavailable
11
BUSH, RR. RUBBER SHOCK ABSORBER (LOWER) (NOT AVAILABLE)
52489-243-000
Unavailable
12
WASHER, RR. SHOCK ABSORBER SPRING
52490-243-000
Unavailable
13
FENDER, RR. *NH2M* (METALLIC SILVER) (NOT AVAILABLE) This part replaces 80100-243-000T.
80100-244-305T
Unavailable
13
FENDER, RR. *NH2M* (METALLIC SILVER) (NOT AVAILABLE)
80100-244-305T
Unavailable
14
BRACKET, NUMBER PLATE (NOT AVAILABLE)
84701-028-671Z
Unavailable
15
SEAT, NUMBER PLATE BRACKET (NOT AVAILABLE)
84702-243-000
Unavailable
20
NUT, CAP (10MM) | Use from Frame SN 103462 This part replaces 94022-10000-0S.
94021-10000-0S
$1.72
